小学生练字入门教学 #硬笔书法的书写技巧 - 抖音

高清图片下载 免费 安全无风险
小学生练字入门教学 #硬笔书法的书写技巧 - 抖音

小学生练字入门教学 #硬笔书法的书写技巧 - 抖音

点击图片查看原图

图片信息

  • 格式: JPG
  • 尺寸: 1440x1920
  • 大小: 约1.2MB

版权声明

相关标签

自然风光 高清壁纸 4K画质

分享图片

相关推荐

基于当前图片的相似推荐

初学硬笔书法准备米字格纸和笔的选择

今日练习《观书有感》#写好中国字做好中国人 #阳谷硬笔书法 - 抖音

字如其人是什么意思呢一年级硬笔书法字理

第二章第一节 #硬笔练字# #每日练字打卡# #我的书法分享# #硬笔行书

硬笔书法临写的字最好与范本同比例大小

《钢笔字书写新技法》第五章第一节#我的书法分享 #硬笔书法 #钢笔

硬笔书法字根合集和结构规律 #规范字书写 #练字 #书法课堂 - 抖音

硬笔书法基础教程,上字的写法

教你三招,写好钢笔字!

随机推荐

发现更多精彩图片

画师:jinko_神子 pixiv 自截女生头像 和服

装饰画长城画完了,定制电话18295618798

air jordan 评选 | 这5双aj据说是2017年最好的,你是否同意?

【奔驰奔驰glc2022款glc 300 l 4matic 豪华型】报价_图片_-参数_易车

壁纸 勿忘我,蓝色的花特写,粉红色的花 2560x1600 hd 高清壁纸, 图片

家装明线怎么布线美观,家装明线布线技巧_装修攻略_装信通网

除了这张照片,胖子还发了一张照片,她身材太大,脸蛋很圆,腰部的脂肪

中式实木玄关实木落地罩仿古月洞门月亮门月拱门

我们见到的肾脏囊性病变大多是单纯性肾囊肿,这是一种成人肾脏最为

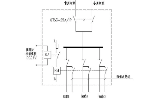
双电源自动转换开关接线原理图说明.doc