抓图库
专业素材库
首页
热门图片
图片分类
图组推荐
VIP专区
登录
首页
热门图片
图片分类
图组推荐
VIP专区
登录/注册
动漫推荐|索以动画追番指南:《独步逍遥》周一周四,《万古神话》周一
高清图片下载
免费
安全无风险
动漫推荐|索以动画追番指南:《独步逍遥》周一周四,《万古神话》周一
点击图片查看原图
免费下载
VIP加速
图片信息
格式:
JPG
尺寸:
913x1280
大小:
约1.2MB
版权声明
相关标签
自然风光
高清壁纸
4K画质
分享图片
微信
微博
QQ
相关推荐
基于当前图片的相似推荐
换一批
独步逍遥
查看详情
独步逍遥
" 《独步逍遥》定档pv 2 首席御灵师 小城少年逆天改命拯救世界
查看详情
" 《独步逍遥》定档pv 2 首席御灵师 小城少年逆天改命拯救世界
独步逍遥
查看详情
独步逍遥
推荐国漫独步逍遥
查看详情
推荐国漫独步逍遥
独步逍遥
查看详情
独步逍遥
独步逍遥
查看详情
独步逍遥
独步逍遥
查看详情
独步逍遥
独步逍遥漫画 第77话 混战厮杀 - 漫客栈
查看详情
独步逍遥漫画 第77话 混战厮杀 - 漫客栈
国漫女神之#独步逍遥 ##柳沁 # - 抖音
查看详情
国漫女神之#独步逍遥 ##柳沁 # - 抖音
独步逍遥漫画
查看详情
独步逍遥漫画
的海报
查看详情
的海报
独步逍遥高清壁纸,我喜欢雪言
查看详情
独步逍遥高清壁纸,我喜欢雪言
随机推荐
发现更多精彩图片
换一批
脉动维生素饮料600ml15瓶整箱批混合装低糖运动功能饮料桃子味
查看详情
脉动维生素饮料600ml15瓶整箱批混合装低糖运动功能饮料桃子味
《速写五官写生》
查看详情
《速写五官写生》
美女赵明明
查看详情
美女赵明明
子老北京布鞋古装子学生演出复古鞋演出鞋圆口布鞋圆口鞋帆布鞋子
查看详情
子老北京布鞋古装子学生演出复古鞋演出鞋圆口布鞋圆口鞋帆布鞋子
歌曲简谱网是你是你基督教影子的
查看详情
歌曲简谱网是你是你基督教影子的
微信头像程潇
查看详情
微信头像程潇
绿色恐龙小表情
查看详情
绿色恐龙小表情
boring resume example
查看详情
boring resume example
泰国ick金柚
查看详情
泰国ick金柚
新鲜的水果种类高清图片
查看详情
新鲜的水果种类高清图片
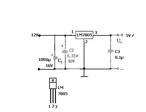
用7085设计个直流变压电路图,要求实现12v转5v.
查看详情
用7085设计个直流变压电路图,要求实现12v转5v.