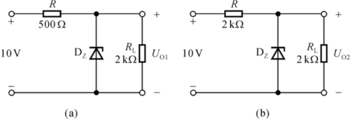
二极管稳压电路

高清图片下载 免费 安全无风险
二极管稳压电路

二极管稳压电路

点击图片查看原图

图片信息

  • 格式: JPG
  • 尺寸: 1080x810
  • 大小: 约1.2MB

版权声明

相关标签

自然风光 高清壁纸 4K画质

分享图片

相关推荐

基于当前图片的相似推荐

3.2硅稳压二极管稳压电路

稳压二极管加在5v1.5a的输出,变成3.3v,要串电阻吗?

稳压二极管的计算已知稳压管的稳压值uz=6v,稳定电流的最小值izmin=5

模电学习稳压二极管的使用与其他二极管

四款稳压二极管应用电路

稳压二极管及稳压电路图_电子技术_电工之家

1 2009-12-09 用稳压二极管设计一简单稳压管稳压电路 20 2012-05-27

稳压二极管如何接入电路进行稳压串联还是并联

晶体管特性图示仪的制作之02稳压电源制作

稳压二极管的应用电路与原理

图,稳压二极管线路 [高悬赏]

稳压二极管和稳压电路解决方案华强电子网

随机推荐

发现更多精彩图片

陈伟霆笑起来真的太治愈了很喜欢陈伟霆

林心如多套造型拍大片,烫凌乱卷发配烈焰红唇,43岁美得太高调

胡歌这气场强大的帅,不愧是影帝!

黑白奶牛英短高地宠物猫找新家啦

废物利用#废液化气罐改做三开门烧烤吊炉

司南星星在唱歌吉他谱

转角衣柜做法.#室内设计 #装修 #装修知识 #设计 #装修 - 抖音

用你的名字做头像用你的名字做头像图片大全

属羊|秋天|羊人|好运|羊宝宝|四大生肖_网易订阅

海利池塘鱼池循环水泵潜水轴流泵假山喷泉园艺抽水过滤泵鱼池循环增氧

吃货知识详解花鲢胖头鱼各个部位