[东莞市]某豪园三期a5型别墅-檐口节点详图

高清图片下载 免费 安全无风险
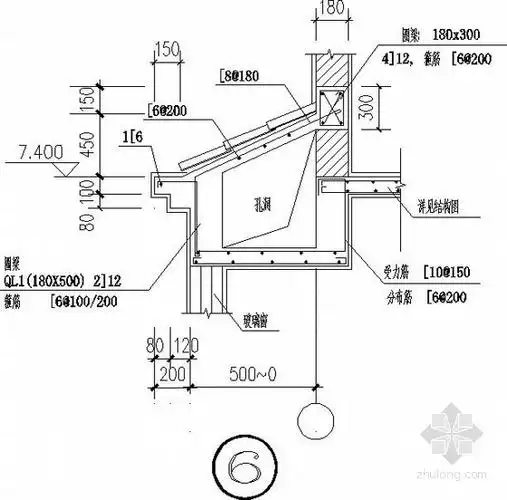
[东莞市]某豪园三期a5型别墅-檐口节点详图

[东莞市]某豪园三期a5型别墅-檐口节点详图

点击图片查看原图

图片信息

  • 格式: JPG
  • 尺寸: 953x590
  • 大小: 约1.2MB

版权声明

相关标签

自然风光 高清壁纸 4K画质

分享图片

相关推荐

基于当前图片的相似推荐

哪位老师能教我看一下外檐详图?

经典钢结构彩板外檐详图

【檐口天沟大样图】檐口节点详图2.pdf

分享坡屋顶别墅檐口节点详图资料下载

[东莞市]某豪园三期a4型别墅-檐口节点详图

[分享]别墅外檐详图资料下载

檐口详图(纵墙檐口&山墙檐口)

关于房檐做法怎么套定额,如图,这个具体做法要怎么套定额呢?

[东莞市]某豪园三期a5型别墅-檐口节点详图

[图块/节点]古建檐口大样(四种)_通用节点详图_土木在线

关键词: 混凝土节点详图屋面坡屋面楼梯檐口天沟节点 楼梯屋顶沿口

随机推荐

发现更多精彩图片

女生福利##奶酪陷阱##朴海镇##《学校2015》##南柱赫namjoohyuk

那些陪你神奇宝贝卡通画大集合 众多热门宠物小精灵

男神美图逗比小太阳钟汉良

郭京飞雷佳音"相亲相爱"名场面,两兄弟有来有回,逗乐全场

p>上海博物馆创建于1952年,原址南京西路325号旧跑马总会,1959年10月

继郑爽华晨宇之后赵丽颖杨幂张艺兴多位艺人辟谣来了

一台好戏三代打磨——记2023年乌鲁木齐戏曲艺术节首演剧目《谢瑶环》

双拼型钢混凝土转换梁施工

2015年秋湘教版语文六年级上册第7单元第25课《黄山松》ppt课件2

志愿者服务公益活动帮助老人文明社会人物动图gif

53°汾酒集团杏花村牧童牛酒 白酒礼盒1500ml