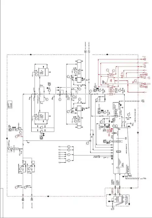
帮忙看下这个电路图无待机电压

高清图片下载 免费 安全无风险
帮忙看下这个电路图无待机电压

帮忙看下这个电路图无待机电压

点击图片查看原图

图片信息

  • 格式: JPG
  • 尺寸: 600x313
  • 大小: 约1.2MB

版权声明

相关标签

自然风光 高清壁纸 4K画质

分享图片

相关推荐

基于当前图片的相似推荐

几种直流电机驱动电路图及设计思路

督制青花缠枝花卉纹撇口扁瓶"大清乾隆年制"六字三行篆书款,乾隆本朝h

清洁机器人之吸尘机器人控制系统的设计

电磁炉功率管测量方法分享

pwm脉冲宽度调制led驱动控制电路图

电磁炉专用igbt h20t120 h20r1202 h20r120 拆机小字体细字原字

h20r1203 电磁炉功率管 /igbt功率管-阿里巴巴

功率管fga25n120用正品h20r1203代换,结果有个别可以正常使用,多数

ikw40n120h3 k40h1203 to-247 igbt 40a1200v-阿里巴巴

随机推荐

发现更多精彩图片

发型必备条件~首先脖子偏瘦长,脖子短的对长度影响 - 抖音

动漫情头 能回来看看我吗 我好_卡通动漫头像_我要个性网

一曲一路上有你送给圈里所有人

小筑幽栖透明星空房 | 在户外,也可以有家的感觉

痔疮便血和直肠癌出血的区别

出门打工者回家突然发现女人爱打扮,是什么兆头?该怎么办?

电脑系统无法启动怎么办啊?急急急!

病人,医护工作者医院总是24小时开着急诊的大门为了拯救生命度过这

一年级数学下册期末考试卷a4版

来自寿光的水果八宝蛋糕