三菱plc控制步进电机编程97293.pdf 3页

高清图片下载 免费 安全无风险
三菱plc控制步进电机编程97293.pdf 3页

三菱plc控制步进电机编程97293.pdf 3页

点击图片查看原图

图片信息

  • 格式: JPG
  • 尺寸: 860x1218
  • 大小: 约1.2MB

版权声明

相关标签

自然风光 高清壁纸 4K画质

分享图片

相关推荐

基于当前图片的相似推荐

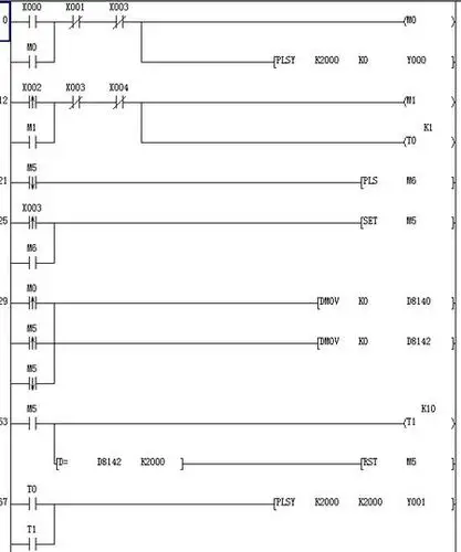
步进电机的三菱plc控制编程梯形图

能给我西门子plc200 cpu226控制步进电机正反转的梯形图吗?

谁有步进电机三菱plc正反转简单的控制程序,谢谢了

plc对步进电动机四相单拍控制梯形图,正转不能循环,x5制on后反转却能

plc控制电路梯形图设计

有关三菱fx1s plc控制步进电机正反转,i/o接线及梯形图,求助 1,你要

基于plc的梳棉机步进电机控制系统

三菱plc控制步进电动机转1600个脉冲的角度,请问这个梯形图对吗?

三菱plc控制步进电机

plc如何控制步进电机

如何用s7200plc控制步进电机

随机推荐

发现更多精彩图片

【最美莲花】莲花(台湾)_哔哩哔哩 (゜-゜)つロ 干杯~-bilibili

lovelive动漫美瞳cos女 南小鸟 矢泽妮可 东条希 星空凛 园田海未

s925一吻定情情侣戒指男女韩版ins风小众设计感拼接对戒七夕礼物

千万别惹的三大星座

为什么生物学中反射的模式图传入神经上一定会有神经节

刚手术结束的包皮切割缘外观

网红化妆刷套装超柔软全套刷子眼影刷散粉刷眉刷修容刷粉底刷唇刷

海南旅游三亚相比我更喜欢万宁的小而美

问:右脸上一粒一粒的很不光滑,黑点挤出来是黄黄的脂肪粒.

2017年第十七期自由群矿物拍卖活动(2017年5月5日晚上八点)

病例记录:新生儿肠旋转不良 - 好大夫在线