抓图库
专业素材库
首页
热门图片
图片分类
图组推荐
VIP专区
登录
首页
热门图片
图片分类
图组推荐
VIP专区
登录/注册
绿色系小清新手机壁纸
高清图片下载
免费
安全无风险
绿色系小清新手机壁纸
点击图片查看原图
免费下载
VIP加速
图片信息
格式:
JPG
尺寸:
640x983
大小:
约1.2MB
版权声明
相关标签
自然风光
高清壁纸
4K画质
分享图片
微信
微博
QQ
相关推荐
基于当前图片的相似推荐
换一批
求跟12浅绿色壳配的浅绿色壁纸
查看详情
求跟12浅绿色壳配的浅绿色壁纸
每日壁纸秀之一抹青绿
查看详情
每日壁纸秀之一抹青绿
每日壁纸秀之一抹青绿
查看详情
每日壁纸秀之一抹青绿
求跟12浅绿色壳配的浅绿色壁纸!
查看详情
求跟12浅绿色壳配的浅绿色壁纸!
每日壁纸秀之一抹青绿
查看详情
每日壁纸秀之一抹青绿
创意个性青绿色壁纸,商务风
查看详情
创意个性青绿色壁纸,商务风
每日壁纸秀之一抹青绿
查看详情
每日壁纸秀之一抹青绿
求跟12浅绿色壳配的浅绿色壁纸
查看详情
求跟12浅绿色壳配的浅绿色壁纸
清新淡雅一系列壁纸绿色
查看详情
清新淡雅一系列壁纸绿色
每日壁纸秀之一抹青绿
查看详情
每日壁纸秀之一抹青绿
绿色 壁纸
查看详情
绿色 壁纸
壁纸@绿色系壁纸,生生不息
查看详情
壁纸@绿色系壁纸,生生不息
随机推荐
发现更多精彩图片
换一批
刘亦菲在北京拍摄mv热辣劲舞 仙女也有性感的一面
查看详情
刘亦菲在北京拍摄mv热辣劲舞 仙女也有性感的一面
特价angiebella18k白金海蓝宝尚美戒指
查看详情
特价angiebella18k白金海蓝宝尚美戒指
震撼了,开鱼宴有140斤重的蓝鳍金枪鱼,帝王蟹都得靠边站站
查看详情
震撼了,开鱼宴有140斤重的蓝鳍金枪鱼,帝王蟹都得靠边站站
19天贺红同人文《取向狙击》(.
查看详情
19天贺红同人文《取向狙击》(.
8元的快乐,夏新f9蓝牙耳机开箱 - 知乎
查看详情
8元的快乐,夏新f9蓝牙耳机开箱 - 知乎
女兵世界:文艺兵
查看详情
女兵世界:文艺兵
下面请欣赏国艺小二班带来的情景剧表演《幼儿园的一天》
查看详情
下面请欣赏国艺小二班带来的情景剧表演《幼儿园的一天》
老干妈辣椒酱拌面酱调味 香菇油辣椒210gx3瓶【图片 价格 品牌 报价】
查看详情
老干妈辣椒酱拌面酱调味 香菇油辣椒210gx3瓶【图片 价格 品牌 报价】
prime 1 studio雕像系列 1/4 系列 电影 铁血战士 铁血战士(封面版)
查看详情
prime 1 studio雕像系列 1/4 系列 电影 铁血战士 铁血战士(封面版)
火影佩恩
查看详情
火影佩恩
雪儿学针灸--------针内关后呕吐粘糊糊液体
查看详情
雪儿学针灸--------针内关后呕吐粘糊糊液体
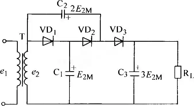
三倍压整流电路
查看详情
三倍压整流电路