2019欢子广州演唱会时间地点门票价格

高清图片下载 免费 安全无风险
2019欢子广州演唱会时间地点门票价格

2019欢子广州演唱会时间地点门票价格

点击图片查看原图

图片信息

  • 格式: JPG
  • 尺寸: 1066x1600
  • 大小: 约1.2MB

版权声明

相关标签

自然风光 高清壁纸 4K画质

分享图片

相关推荐

基于当前图片的相似推荐

欢子2022最新写真 眼神坚毅黑白风尽显硬汉之气

欢子新专辑主打《何必再拖》推出 索吻海蝶首度联手

欢子2022最新写真 眼神坚毅黑白风尽显硬汉之气

璀璨吾悦唱响遵义丨高能预警欢子空降遵义吾悦广场大商业亮灯仪式演唱

人气歌手欢子全新写真,玩转文艺复古风

欢子新歌无辜深夜上线亲自作曲诚意献唱

欢子的所有歌曲欢子的所有歌曲歌词

欢子中华演出网博客

随机推荐

发现更多精彩图片

三国杀鲍三娘柳娇桃艳皮肤高清大图

target="_blank" href="/item/tvb">tvb /a>成为合约艺人

原创泰国王室尴尬的公务三人行贵妃没专属徽章没御伞

锁骨发初恋头2022,邻家女孩的亲切感发型_中长发_女生发型大全

北京前门大街丨旅游攻略丨景点介绍

走遍中国寺院之第2347家,山东 淄博 桓台华严寺

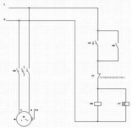
时间继电器自锁接线图

焊接机器人技术必备之焊接技术缺陷分析及防治措施

8090年代:十大怀旧方便面,你还记得儿时吃过的方便面吗?

合作伙伴文化墙荣誉墙展示厅展示厅

死神bleach: 体内的dna躁动了吗?_哔哩哔哩_bilibili