2018夏装新品衣服海报|服装|其他服装|好心人 - 原创作品 - 站酷

高清图片下载 免费 安全无风险
2018夏装新品衣服海报|服装|其他服装|好心人 - 原创作品 - 站酷

2018夏装新品衣服海报|服装|其他服装|好心人 - 原创作品 - 站酷

点击图片查看原图

图片信息

  • 格式: JPG
  • 尺寸: 1920x900
  • 大小: 约1.2MB

版权声明

相关标签

自然风光 高清壁纸 4K画质

分享图片

相关推荐

基于当前图片的相似推荐

夏季上新服装促销海报psd分层素材(图片id:116786)-psd广告海报-素材

夏季女装热门广告词广告语.doc

淘宝夏季女装t恤全屏海报psd素材

夏季女装上新促销宣传海报编辑时可查看全图正版几何 扁平女服装详情

正版夏季新穿搭服饰促销海报正版潮流新品服饰服装折扣促销海报vip

夏季新品服饰时尚女装促销海报

2017夏季女装海报|网页|banner/广告图|健行天丶 - 原创作品 - 站酷

夏季服装新品促销海报设计psd素材

泳衣促销广告词,泳衣特价广告词.doc

淘宝夏季女装新品活动海报psd素材

随机推荐

发现更多精彩图片

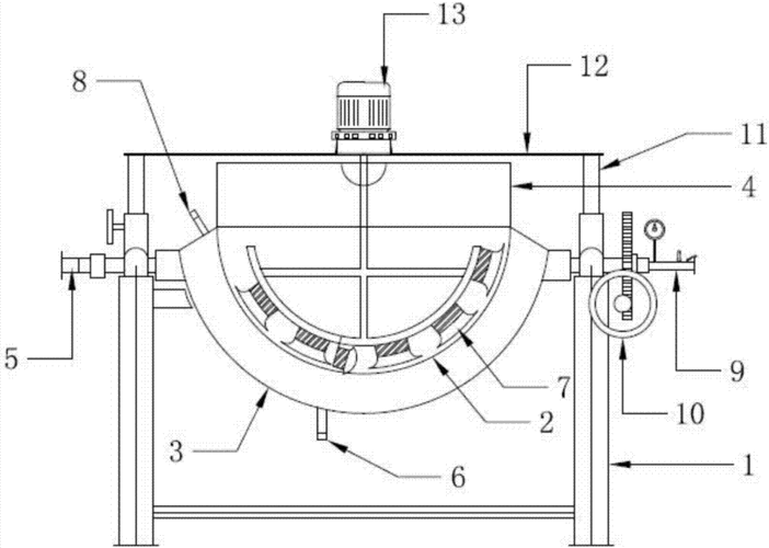
一种夹层锅制造技术

凿壁偷光原文及翻译 - 百度文库

家长晒三年级学霸誊抄的"致谢",字迹工整,成为家长传阅的焦点

皖南秋摄(7)~徽州区唐模村

头像 个性 简约 高冷女动漫-动漫头像 - 壁纸之家

二战沉船载有宝物多年后我国计划打捞这两国提议一起却遭拒绝

新动力火车苏打酒鸡尾酒预调低度酒四种口味对接各大平台酒吧

拿破仑·波拿巴(马背上的战神情场上的爱神)

赫本家 - hebenjia女装品牌新款时尚气质翻领修身外套

亚洲杯邵圣懿宫磊还有一位女主持是谁

美女歌手张薇,优雅大方,知性迷人