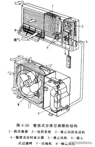
cn1374484a_分离式空调机的室外机失效

高清图片下载 免费 安全无风险
cn1374484a_分离式空调机的室外机失效

cn1374484a_分离式空调机的室外机失效

点击图片查看原图

图片信息

  • 格式: JPG
  • 尺寸: 401x600
  • 大小: 约1.2MB

版权声明

相关标签

自然风光 高清壁纸 4K画质

分享图片

相关推荐

基于当前图片的相似推荐

空调外机清洗方法图解,你学会了吗?jpg

经历过上门空调清洗的坑后,我决定手把手教你清洗空调!

空调外机噪音大嗡嗡响怎么回事呢

找一个空调外机的3d结构模型

佛山装修公司为你讲解飘窗空调外机安装步骤

空调器与中央空调系统知识值得收藏

4-2家用空调器室外机结构ppt

空调室外机的内部组成及拆卸方法图解

空调机的室外机制造技术

海尔空调kr280wbp室外机培训资料

空调保养之外机清洗

随机推荐

发现更多精彩图片

羽浵奢华皇冠玫瑰鲜花生日蛋糕情人节女神私房定制蛋糕厦门同城

跖疣拔完留下一片陨石坑

罪恶都市100完成条件详

黄山市委书记凌云打造创意创新的活力之都

2014-01-06 李其朝 医师 两个月大的婴儿拉屎有泡沫还带酸臭味吃奶

献礼建党一百周年大学生排演红色话剧江姐

画江湖之不良人 尤川 微博@尤川吧官博 ( 收藏致歉!侵权删!严禁商用!