漫画角色的脚怎么画?

高清图片下载 免费 安全无风险
漫画角色的脚怎么画?

漫画角色的脚怎么画?

点击图片查看原图

图片信息

  • 格式: JPG
  • 尺寸: 604x1000
  • 大小: 约1.2MB

版权声明

相关标签

自然风光 高清壁纸 4K画质

分享图片

相关推荐

基于当前图片的相似推荐

简笔画脚丫子脚丫子的画法

总结1,很多同学都会把脚部画小,再次强调:脚的长度,和你小臂的长度是

可爱的卡通女孩简笔画人的脚的简笔画简笔画怎么画小女孩脚丫简杯画

教你画脚丫简笔画光脚丫足迹简笔画大脚丫小脚丫简笔画脚丫子简笔画

查找更多脚的简笔画图片大全,脚的简笔画图片大全大图 女孩内容,尽在

简笔画脚丫子脚丫子的画法

穿凉鞋的小脚儿童亲子简笔画

脚的简笔画简笔画脚指甲脚跑了简笔画光脚女孩简笔画教你画脚丫简笔画

教你如何画好脚丫子!

随机推荐

发现更多精彩图片

来评价下蒋依依新剧古装造型

白族龙头三弦弹唱山花白曲

不容错过的实用吉他弹唱技巧._东方养生频道_东方养生

法兰的连接方式有哪些?这么多的优点很耐用

剪纸拉手小人金城幼儿园大班组延迟课堂美工篇

比较典型的上肢皮肤炭疽-医联

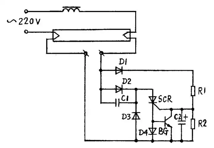
本实用新型提供一种高性能电子快速启辉器,它由半桥整流电容升压电路

素描动物海豚绘画步骤教程.

支付宝这个限制是多少起步

重庆玫瑰香血橙10斤薄皮新鲜红橙子水果塔罗科雪橙果园长寿湖血

庆祝而战的胜利之吻

曼谷豪华样板房别墅出售