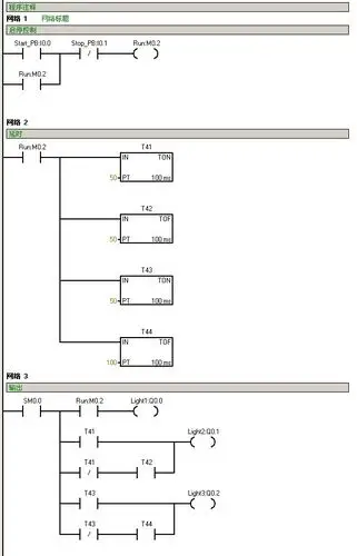
用西门子plc构成四节传送带控制系统举例

高清图片下载 免费 安全无风险
用西门子plc构成四节传送带控制系统举例

用西门子plc构成四节传送带控制系统举例

点击图片查看原图

图片信息

  • 格式: JPG
  • 尺寸: 659x827
  • 大小: 约1.2MB

版权声明

相关标签

自然风光 高清壁纸 4K画质

分享图片

相关推荐

基于当前图片的相似推荐

plc电机正反转梯形图 梯形图电机正反转自动运行plc编程

小车的自动往返控制梯形图(plc西门子)

plc有3盏信号灯,按下启动按钮后,每隔1s亮一盏,每盏点亮时间分别我1s

停止时先停第二台5s后停第一台 求plc梯形图 西门子s7-200

西门子plc编写梯形图

用西门子plc构成四节传送带控制系统举例

西门子s7200plc红绿灯控制的一种写法交通信号灯梯形图附程序下载

西门子s7-200 224cn的梯形图解析

plc梯形图设计,如何找到表示计数器之类的框

plc 西门子的 梯形图编程 求指点

plc-自动售货机设计的梯形图程序

西门子plc模块6es7288-2dr16-0aa0

随机推荐

发现更多精彩图片

你是我的荣耀杨洋迪丽热巴高清壁纸 cp感十足很惊艳的皮肤合集_3

唯美精选风景手机壁纸

小心超人之暗魔的邀请

早安神龙全高清壁纸和背景

时风玉米收割机2015—2

皮肤知识必学,皮肤结构有三层,带你认识表皮层#皮肤 #皮肤知 - 抖音

脸上色斑黑色素沉淀怎么去除 #医美科普挑战赛# 对于皮肤黑色素沉淀

【国漫并非崛起而是王者归来】镇魂街 曹焱兵

乔安娜·林莉 joanna lumley的图片

壁纸# #每日壁纸# #暴富暴美暴瘦# #暴富# #暴富暴富暴富# #壁纸分享

斗破苍穹美杜莎女王身材照片 - 抖音