资料图片:《缉毒精英》剧照-冯国强饰陈飞虎

高清图片下载 免费 安全无风险
资料图片:《缉毒精英》剧照-冯国强饰陈飞虎

资料图片:《缉毒精英》剧照-冯国强饰陈飞虎

点击图片查看原图

图片信息

  • 格式: JPG
  • 尺寸: 333x500
  • 大小: 约1.2MB

版权声明

相关标签

自然风光 高清壁纸 4K画质

分享图片

相关推荐

基于当前图片的相似推荐

《开封府》收官在即 宰相冯国强幕后大boss身份暴露?

《坐88路车回家》热播 冯国强友情客串十分亮眼

混剪冯国强橙红年代

冯国强出演《开封府传奇》正热播 实力演绎腹黑反派狂飙演技

冯国强_演员_作品_个人资料_简历_生日_留言 - 酷乐米

首页>新闻动态>科协要闻市科协党组书记冯国强在讲话中表示,开展院士

明星资料库 大陆明星 冯国强 冯国强明星写真 姓名:冯国强(强子)

资料出关主角冯国强饰丁成义

随机推荐

发现更多精彩图片

景色宜人的山水简笔画

可爱q版京剧脸谱人物手机壁纸推荐

nba这五大巨星的背影让人刻骨铭心!一人是所有中国球迷的骄傲

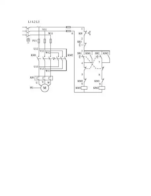
图2-20按钮和接触器双重联锁正反转控制线路_第1页

四合院中式#新中式徽派四合院设计,位于江西占地宽25.

魔法猫咪 悠米 heartseeker (附炫彩版) 皮肤浏览 skin spotlight

中,细伟的故事是真的,它根据真实事件改编:细伟的本名叫黄利辉,是一位

车飞机特种兵人偶8-12岁男孩子拼装乐高积木玩具 海陆空 3警察6人仔配

锦塔 麝香海马追风膏 7cm*10cm*4贴 驱风散寒活血止痛 【标准装】1盒

小学英语单词速记 手绘思维导图

当初"宁可死在美国也不回国"的罗玉凤,在美国的现状如何?

别吃路边摊我教你在家做一大盘香酥无骨鸡柳好吃又放心