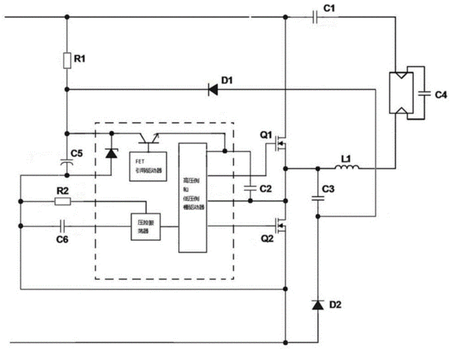
艺光消防应急灯电子镇流器接线方法

高清图片下载 免费 安全无风险
艺光消防应急灯电子镇流器接线方法

艺光消防应急灯电子镇流器接线方法

点击图片查看原图

图片信息

  • 格式: JPG
  • 尺寸: 820x459
  • 大小: 约1.2MB

版权声明

相关标签

自然风光 高清壁纸 4K画质

分享图片

相关推荐

基于当前图片的相似推荐

镇流器是不是有2线的3线的4线的 啊 我是问路灯的啊 最好有图谢谢啦

34,紫外线杀菌灯接线电路

规格齐全白色黄色滤紫外线灯管滤uv灯管电子厂房灯管光衰小

40w日光灯管镇流器的.怎么去接线.

不锈钢弯管灯架紫外线消毒灯管带支架工厂车间 定制高度

一个电感镇流器带动两根20w的日光灯接线图

紫外线消毒灯高强度幼儿园商用uvc悬挂式紫光灯杀菌20w支架无盒镇流器

电感式日光灯镇流器是串并联

一种紫外灯镇流器电路的制作方法

日光灯能不能用一个镇流器起动两只灯管

老师要我们画"电子镇流器 日光灯管"的简单电路,只有十根线左右

随机推荐

发现更多精彩图片

《贺新郎(再和)》图片,李曾伯的《贺新郎(再和)》全文配图

cn/目前发布的标准地图包括:中国地图269幅,世界地图79幅,专题地图11

字体帮-第1357篇:67国潮 明日命题:趁年轻

ai性能暴涨3倍高通骁龙855现场图赏

尼几nickycosplay花嫁洛天依我愿娶你是否愿嫁

歌手傲日其愣个人资料

香砂仁大料 川砂仁云南砂仁香料调料炖肉卤菜调料 香砂仁 250g()

谢谢你了聊天动态表情图

二丫告别维斯特洛寻找新大陆