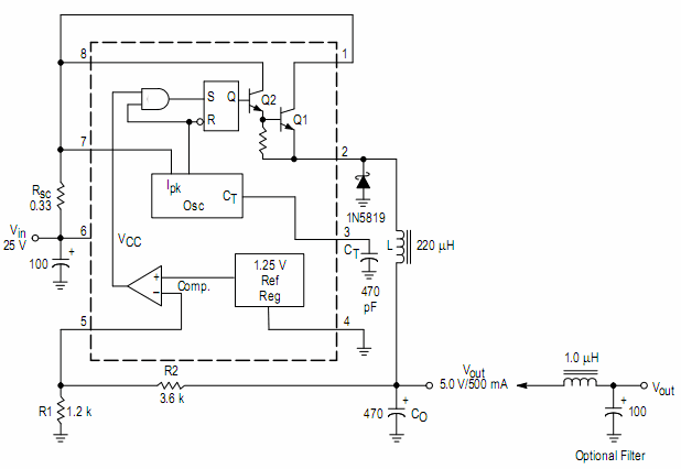
麻烦电子技术高手帮我解决一个34063降压电路问题

高清图片下载 免费 安全无风险
麻烦电子技术高手帮我解决一个34063降压电路问题

麻烦电子技术高手帮我解决一个34063降压电路问题

点击图片查看原图

图片信息

  • 格式: JPG
  • 尺寸: 498x268
  • 大小: 约1.2MB

版权声明

相关标签

自然风光 高清壁纸 4K画质

分享图片

相关推荐

基于当前图片的相似推荐

mc34063降压电路发热烧坏,求助吖!

mc34063典型降压电路问题

求一个mc34063的升压电路,3.

34063升压电路【硬之城】

34063升压电路的调节问题?

mc34063降压电路及工作原理

求个mc34063降压可调完整电路

关于mc34063升压电路带负载问题!

mc34063稳压 ,降压电路输入24v,输出5v,电路图发给我邮箱,谢谢.

关于mc34063输出12v的问题

随机推荐

发现更多精彩图片

宋雨琦《奔跑吧黄河篇》

时代少年团#【手绘刘耀文】看灵魂画手表白爱豆-度小视

螳螂vs大黄蜂,没打几下就分出了胜负,结局你猜到了吗?

几何倍增学是怎么回事?是怎样运用的?

儿童安全引关注,斜前方挣脱"之"字形逃跑或可创造生机

运动李宁卫裤女士2021新款时尚系列女装裤子运动长裤

钱币 一版币之六珍之一1000元马饮水 - 抖音