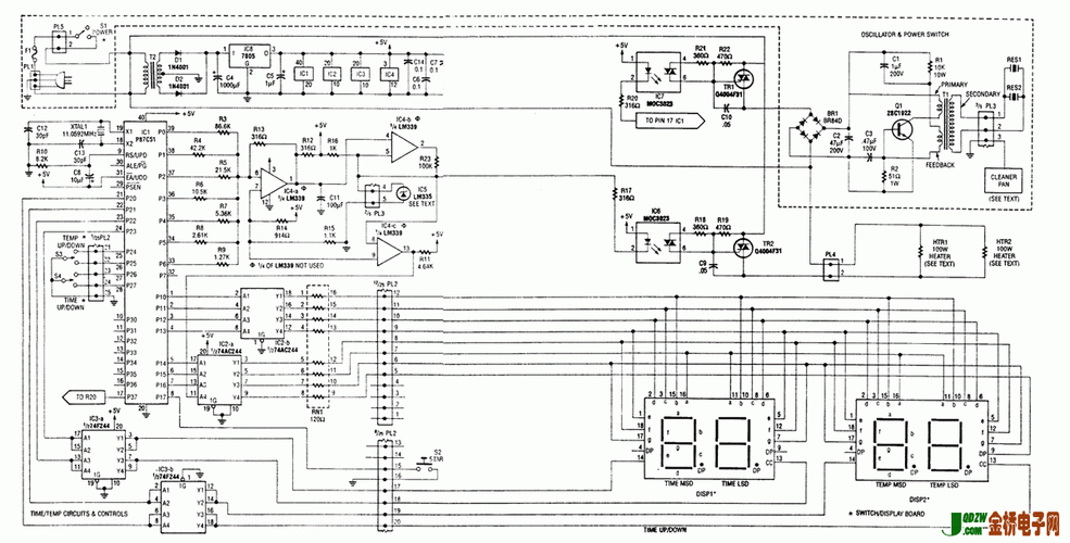
超声波清洗机电路图

高清图片下载 免费 安全无风险
超声波清洗机电路图

超声波清洗机电路图

点击图片查看原图

图片信息

  • 格式: JPG
  • 尺寸: 1039x863
  • 大小: 约1.2MB

版权声明

相关标签

自然风光 高清壁纸 4K画质

分享图片

相关推荐

基于当前图片的相似推荐

超声波清洗机原理及清洗效果

无线充电超声波清洗机

人造金刚石筛分滤网的超声波清洗机用稳流控制电路

一种超声波驱动电路及超声波清洗机

人造金刚石筛分滤网的超声波清洗机用稳压控制电路

超声波清洗机电路图2例 / 查查362

小型超声波清洗机设计

新型超声波清洗机_cn201821915122.3_知雀网

16:52 编辑 公司一个超声波uv清洗机的板子,图中两个电路,原来参数

69固特超声波清洗机之如何读懂他激式电路

69固特超声波清洗机之如何读懂他激式电路

用于超声波管道清洗机的开关电源设计

随机推荐

发现更多精彩图片

总制片人宣布《家有儿女》将开拍大电影,原班人马宋丹丹,高亚麟,杨紫

猫和老鼠里的风车车(ai格式)|平面|其他平面|幸福123458 - 临摹作品

【lisa 】你绝对没见过的辣丽莎无刘海漏额头照!

转生成史莱姆日记 利姆鲁

品鉴版高端瘦削男脚模型仿真足模脚模白袜子帅哥帅脚铂金硅胶w41

618苹果系列产品购买建议和好物推荐

古驰gucci|经典款1955系列 马衔扣皮革小号手提包