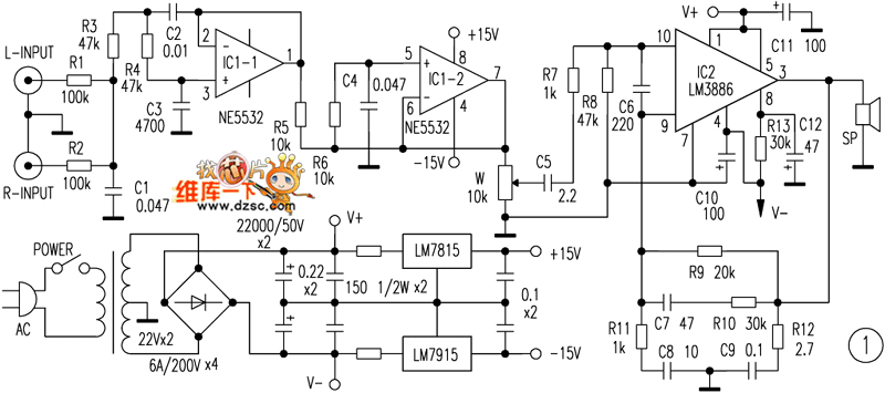
优秀的功放ic,lm3886基本应用电路图

高清图片下载 免费 安全无风险
优秀的功放ic,lm3886基本应用电路图

优秀的功放ic,lm3886基本应用电路图

点击图片查看原图

图片信息

  • 格式: JPG
  • 尺寸: 600x414
  • 大小: 约1.2MB

版权声明

相关标签

自然风光 高清壁纸 4K画质

分享图片

相关推荐

基于当前图片的相似推荐

论坛技术讨论专区 69 互助问答区 69 lm3886功放 这个功放电路是

lm3886制作的超低音放大器电路图

lm3886经典功放ic电路和装调参考

音频功放lm3886基本应用电路

lm3876/3886的单电源供电音频功率放大器典型应用电路

退烧中听3886集成块功放疑问调好的能推好丹拿吗

lm3886 btl功放电路图- 功率放大

谁有3886功放的电路图

lm3886双声道音频功放电路图

随机推荐

发现更多精彩图片

"跳水皇后"吴敏霞的婚姻从一开始就是众人讨论的对象.

秋季显白发色紫红色90潮州染发潮州烫发

扒一扒何炅神秘女友王菁的身世背景

只有互相包容和理解,才能走得长远29,人与人相处,应该多一点宽容,能

双层富豪服务将军游大运年代

彩色点点构成的精致动物绘画作品密恐患者会怕吗

碧蓝航线ssr长门睡衣主题皮肤公开 毛绒长袜配大蛮啾靠垫

这个尼姑长得非常漂亮颜值几乎可以秒杀很多网红

树叶镂空花型 #镂空花毛衣编织教程 #只做高品质 #舒适透气 - 抖音

此号已被本人注销!886

南宁73水塘江公园小溪流90周末打卡好去处 导航南宁江南区水塘江