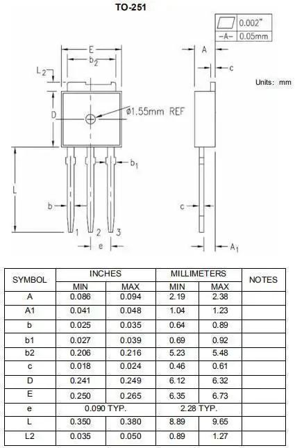
apm4050puctrl场效应管参数apm4050puctrlmos管

高清图片下载 免费 安全无风险
apm4050puctrl场效应管参数apm4050puctrlmos管

apm4050puctrl场效应管参数apm4050puctrlmos管

点击图片查看原图

图片信息

  • 格式: JPG
  • 尺寸: 697x709
  • 大小: 约1.2MB

版权声明

相关标签

自然风光 高清壁纸 4K画质

分享图片

相关推荐

基于当前图片的相似推荐

供应拆机控制器 fb3607 irfb3607 电动车专用场效应管-中国亚麻产业网

常见场效应管参数表

常用场效应及晶体管参数

大功率功放管 三极管 场效应管参数

irfb3607 场效应管三极管fb3607电动车mos管全新现货

tp0610kt1e3场效应管参数tp0610kt1e3mos管

士兰mos管svf4n65/7n65/10n65/12n65场效应管参数及mos管代理!

irfb3607pbf参数datasheetpdf下载

常用功率场效应管参数大全

irfs3607 fs3607 全新进口现货 to-263 75v 80a 满百包邮 可直拍

户外储能电源mos管应用方案170n1f4a中低压场效应管更可靠

700vn沟道mos管_4n70_增强型场效应管_mos管4n70_宇芯微

随机推荐

发现更多精彩图片

微信状态朋友圈文案句子文艺背景图

地球上最凶猛的动物 亚马逊森蚺 亚马逊森蚺是当今世界上最大的蛇

这样画狮子(lion )一学就会.今日分享如何画狮子,具体步 - 抖音

绿叶质地,深绿色叶自然背景,热带叶

篮球扣篮运动矢量下载

充气泵12v汽车车载电动多功能打气气泵自动充气车载充气泵

aimida开背瑜伽砖tpe环保高密度健身砖瑜珈用品舞蹈专用砖块正品

一种植物叶披针形,直立无分枝,叶脉都从叶柄发出,叶深绿光亮.未抽穗.

西安美术学院建筑环境艺术系2019届风景园林教研室新实

【极影&vcb-s&philosophy-raws】 ★ 乐园追放 rakuen tsuihou

她是高材生港姐,和tvb视帝相恋3年,嫁同日出生优质老公越来越靓