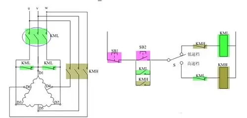
三相电动机△接低速运行电路

高清图片下载 免费 安全无风险
三相电动机△接低速运行电路

三相电动机△接低速运行电路

点击图片查看原图

图片信息

  • 格式: JPG
  • 尺寸: 974x885
  • 大小: 约1.2MB

版权声明

相关标签

自然风光 高清壁纸 4K画质

分享图片

相关推荐

基于当前图片的相似推荐

请大家看一下这个高低速电机启动线路图对吗?

双速风机用控制箱有高低速按钮电机端怎么接线?

三相异步电动机接线图

三相电机的接线方法

不是三角和星型的,就6跟线,高低速各三条线控制,请问这是什么接法电机

请大家看一下这个高低速电机启动线路图对吗?

时间继电器kt通电,接触器km3通电,电机m先结成三角形以低速启动,等

求两个三相电机 接线方法图?

展开全部 正转转高低速是什么意思?你应该说明一下电机的类型.

9只220v灯泡代替二:以下是主电路的简化图和三速电动机定子绕组接线图

当kml线圈得电后,d1,d2,d3接三相电源,因此d4,,d5,d6悬空,电机低速

随机推荐

发现更多精彩图片

夏天,我被这5种衣服颜色惊艳!显白显嫩,让你气质更出众又时髦

精品(中国瓷器)古玩交流群第353期拍卖,2019年9月20号,周五

每日图鉴大赏,《仙剑1》阿奴cos,痴情女子惹人怜,人生若只如初见!

剑王朝长孙浅雪李一桐

老男孩筷子兄弟超简单吉他弹唱谱

蓝色超帅气跑车头像图片大全

大话西游,走近经典|香山小学向阳花中队 家长课堂(二)

福特wrc赛车放弃嘉年华全新福特pumarally1混动赛车

隧道升压器三相大功率隧道升压器定制作增压器

你到过国家5a级南通濠河风景区吗?

『cos正片』kda阿卡丽日常ver.