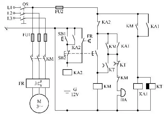
如果还不会自锁电路,那就参考3个实物接线图吧

高清图片下载 免费 安全无风险
如果还不会自锁电路,那就参考3个实物接线图吧

如果还不会自锁电路,那就参考3个实物接线图吧

点击图片查看原图

图片信息

  • 格式: JPG
  • 尺寸: 640x443
  • 大小: 约1.2MB

版权声明

相关标签

自然风光 高清壁纸 4K画质

分享图片

相关推荐

基于当前图片的相似推荐

星三角降压启动这个电路真的太常见又实用,不管是在工厂,小区,商场

11个电路原理图 实物接线图,电工入门怎么能看不懂,纯干货!

电工电路图与接线图

星三角启动 详细接线图,#星三角启动 控制电路!#星角降压 - 抖音

毫微安电流表电路图_接线图分享

点动自锁控制电路图电工实用接线彩图电工接线高清彩图本站是提供个人

电工最全电路接线图苍松借鉴

电动机起动控制电路安装接线图

家装照明电路接线方法?

家庭电路合集,看懂这些电路,所有的家庭电路接线都不怕

干货十年经验工程师分享常用电路接线方法

三相异步电动机控制电路接线图 - 2020年最新商品信息聚合专区 - 百度

随机推荐

发现更多精彩图片

> 治愈系唯美图片高清桌面壁纸(1920x1080)

土耳其mado开心果冰淇淋

摩羯座男生的性格浅分析

如何解决吉他弦距太高的问题

arroll - 高清图片,堆糖,美图壁纸兴趣社区

新的一年,"这才是新西兰"微信公众号还将一如既往地为您呈现更多

荜拔毕波烧菜卤菜火锅增香麻辣烫碧波大料500g

复古圆形麦穗边框矢量

可爱的卡通种子发芽贴纸