北宋宝丰清凉寺天青釉蝉翼纹开片官汝窑龙纹花觚

高清图片下载 免费 安全无风险
北宋宝丰清凉寺天青釉蝉翼纹开片官汝窑龙纹花觚

北宋宝丰清凉寺天青釉蝉翼纹开片官汝窑龙纹花觚

点击图片查看原图

图片信息

  • 格式: JPG
  • 尺寸: 1280x1280
  • 大小: 约1.2MB

版权声明

相关标签

自然风光 高清壁纸 4K画质

分享图片

相关推荐

基于当前图片的相似推荐

北宋天青釉蝉翼纹开片官汝窑瘦金体铭文镶口玉壶春赏瓶

北宋宝丰天青釉蝉翼纹开片土沁官汝窑长颈胆瓶

北宋宝丰天青釉蝉翼纹开片土沁官汝窑长颈胆瓶

北宋宝丰清龙寺蝉翼纹开片官汝窑葵口洗(金标)古董官汝窑

开片的蝉翼纹,用茶水滋养, br>慢慢的养出金丝铁线,喝茶的记忆也因此

言川 曾广旭天青汝窑茶杯蝉翼纹开片可养手工柴烧汝瓷茶盏品茗杯

北宋宝丰天青釉蝉翼纹开片土沁官汝窑长颈胆瓶

茶壶汝窑陶瓷天青色蝉翼纹开片可养功夫功夫茶茶具茶壶

北宋天青釉蝉翼纹开片官汝窑瘦金体铭文镶口玉壶春赏瓶

汝窑茶杯蝉翼纹品茗杯陶瓷功夫茶具个人单杯开片天蓝冰裂釉品茗杯

北宋宝丰清凉寺天青釉蝉翼纹开片官汝窑龙纹花觚

蝉翼纹开片汝窑主人杯

随机推荐

发现更多精彩图片

宝莲灯:哮天犬为了主人也够拼命的,把鼻子伸到水里练本领

老佛像观音菩老摆件

加沙已经成为鬼城,民众无处可逃|停火|战争|以色列|加沙地带|巴勒斯坦

part2:鱼儿的生长过程鱼生活在水中,用腮呼吸,用鳍运动,用鱼鳞保护

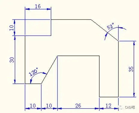
cad新手教程:一步一步教你画cad图纸

想要练习腹肌不知从何下手我来告诉你这4个动作

一拳超人:s级英雄金属棒球,血量越低战斗力越强

云南特有精品铁马鞭 铁马鞭盆景造型艺术作品,树龄已有百年,沧桑古仆

大班亲子手工制作立体纸雨伞的做法步骤图解

ppt课件教案包含了ppt课件,活动目标是喜欢看图讲述活动,体验帮助别人