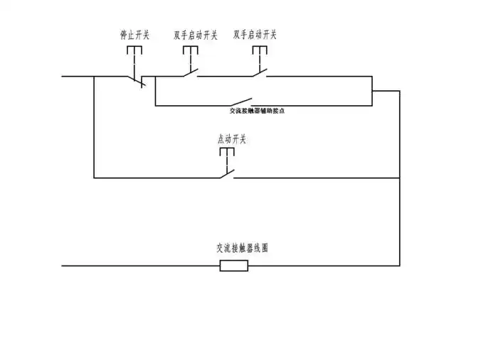
jb 80型80t开式双柱可倾压力机(80t冲床)电气原理图

高清图片下载 免费 安全无风险
jb 80型80t开式双柱可倾压力机(80t冲床)电气原理图

jb 80型80t开式双柱可倾压力机(80t冲床)电气原理图

点击图片查看原图

图片信息

  • 格式: JPG
  • 尺寸: 1288x801
  • 大小: 约1.2MB

版权声明

相关标签

自然风光 高清壁纸 4K画质

分享图片

相关推荐

基于当前图片的相似推荐

上海威力冲床原理图

机床电气控制1-4导学案

80t冲床电器全原理图-其他农业自动化电路图-电子产品世界

冲床通电后只关掉马达不关掉总电源是否用电

新式冲床程序控制器电路

冲床自动控制电路的制作方法

开甲荣昌 精密冲床电控箱 数控机床电控箱开发 安装 设计

一种平板冲床快速冲压专用液压回路

求冲床两个双手启动开关一个点动开关和急停按钮接线图

随机推荐

发现更多精彩图片

原创吴磊与张子枫官宣恋情甜蜜幸福引发热议网友纷纷送上祝福

《手绘青花瓷 传承经典文化》

徐浩新歌《不想说的话》火热发布 以音乐诠释人生态度

武艺术字体武头像武笔顺武同音同调字查询

横版医生护士工牌胸牌简约工作证双面透明学生卡套夹子厂牌门禁夹

怀旧员工职员退休欢送会教学课件pptpptx

《倚天屠龙记》【赵敏】贾静雯

【武汉美基元】隆鼻后我怎么判断感染,该怎么办?

火影帅气头像高清图片鼬秽土转生

科幻作品中有哪些漂亮的太空飞船? - 电影 - 知乎