中国地方志集成河北府县志辑(第22册)康熙 遵化州志,光绪 遵化 通志

高清图片下载 免费 安全无风险
中国地方志集成河北府县志辑(第22册)康熙 遵化州志,光绪 遵化 通志

中国地方志集成河北府县志辑(第22册)康熙 遵化州志,光绪 遵化 通志

点击图片查看原图

图片信息

  • 格式: JPG
  • 尺寸: 600x450
  • 大小: 约1.2MB

版权声明

相关标签

自然风光 高清壁纸 4K画质

分享图片

相关推荐

基于当前图片的相似推荐

《遵化通志》上下两函12册全

《遵化通志》上下两函12册全

《遵化通志》上下两函12册全

《遵化通志》上下两函12册全

中国地方志集成河北府县志辑(第22册)康熙遵化州志,光绪遵化通志,16开

新书上架.遵化好书任您选 - 抖音

遵化城南灵应山惊现两只野生狐狸

大遵化也有!而且很神奇!

冬日采风:遵化东峪小山村

兴隆县历史资料集一清代历史资料遵化通志兴隆卷

随机推荐

发现更多精彩图片

不说再见钢琴简谱-数字双手-s.h.e2

表情包 搞笑 搞怪 猥琐 蜡笔小新 小白

世界杯奖杯拍照教程简笔画 世界杯奖杯拍照教程简笔画大全

农村丧葬礼仪一一二十四拜见过没

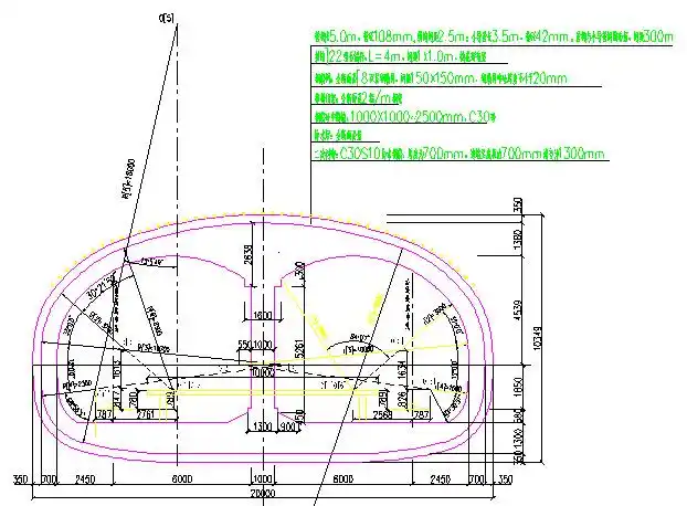
[广东]淤泥细砂层较厚区地铁工程施工技术总结211页(四层岛式车站

大全|开单获奖冠军必备96 06喜报喜报,顾名思义,就是报喜的海报

瓜瓜呱呱!漫画《古惑仔》终于大结局了,电影剧情与之有很大出入

后来自己量了发现自己是34d想问问姐妹们有什么专业的地方量胸围呀

黑猴子campbuddy全cg分姚图片汉化版v10