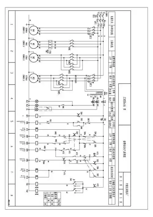
z3050型摇臂钻床电气控制线路主电路分析

高清图片下载 免费 安全无风险
z3050型摇臂钻床电气控制线路主电路分析

z3050型摇臂钻床电气控制线路主电路分析

点击图片查看原图

图片信息

  • 格式: JPG
  • 尺寸: 920x651
  • 大小: 约1.2MB

版权声明

相关标签

自然风光 高清壁纸 4K画质

分享图片

相关推荐

基于当前图片的相似推荐

z3050x16摇臂钻床中捷电气原理图

kh-z3050摇臂钻床快速排除故障方法(针对本校仿真实训平台)

z3050摇臂钻床电气电路图(a3纸)

z3050×16中捷钻床电路图

z3050摇臂钻床电气控制电路.doc 6页

z3050摇臂钻床电路原理与维修doc

求一份z3o4ox16摇臂钻床电气图

常用机床电气线路图

中捷友谊厂z3050(z3040)x16摇臂钻电气图

大型商场及物业空调配电系统图 kyn28a 电气单线图及原理图 厂用配电

z3050×16/1沈阳中捷摇臂钻床电气图.那位大哥有,发给我 非常感谢!

主题:[求助]我想找钻床,铣床,镗床的线路图集

随机推荐

发现更多精彩图片

麦粒肿又称睑腺炎,俗称"针眼"或"偷针眼".

杨幂##杨幂哈尔滨一九四四##杨幂眼神

人生哲理8字句子精辟简短精辟人生哲理句子励志

看过了本田crv试驾了丰田荣放但最终选了它车主无法拒绝

科罗娜特级啤酒330ml*24 整箱装

六字真言怎么读(西游记中)-第6张图片-创女网

萌宠猫星人揣手手乖巧听话呆萌可爱gif动图_动态图_表情包下载_soogif

春秋冬长大衣裁剪图

"青春挥洒汗水 绽放活力光芒"||河源中学实验学校校运会第二天

完美总公司产品价格和积分调整通知及前后对照表

青岛本地梭鱼,15元一斤.