3842开关电源电路图

高清图片下载 免费 安全无风险
3842开关电源电路图

3842开关电源电路图

点击图片查看原图

图片信息

  • 格式: JPG
  • 尺寸: 468x328
  • 大小: 约1.2MB

版权声明

相关标签

自然风光 高清壁纸 4K画质

分享图片

相关推荐

基于当前图片的相似推荐

uc38453842正激开关电源实战视频教程24v10a可调输出开发板

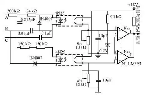
3842开关电源负反馈稳压环节的探讨: 三,直接从输出取样通过光耦

各位电子高手们懂开关电源的 帮忙分晰个图 那个光耦里面那个三极管得

开关电源深圳明纬24v25as60024大功率600w双面面板电源led开关电源

tl3842pdip8全新原装开关电源脉宽调制电路询价为准图片

这是一幅开关电源电路图,图中的光耦分开画了,请问怎么调整,还有列出

【图】3842充电器电路图电源电路

这个开关电源中tl431和光耦构成的反馈电路是怎么工作的呢

双光耦开关电源电路图开关电源常用的几种保护电路

开关电源电路图讲解视频

随机推荐

发现更多精彩图片

谁在武汉隆过胸武汉隆胸哪个医生好武汉隆胸案例有没有

一岁半女宝宝发型推荐打造一个可爱呆萌的小萝莉

电子琴两只老虎简谱12345是什么意思那个是乐谱.

csol细思极恐的事情,憎恶屠夫的妻女,会不会是死在迷雾僵尸手里

野生技术协会 – 恐龙学长 の blog

2022新款儿童洛丽塔裙子甜美洋装女童连衣裙夏款女孩紫色公主裙

康师傅海鲜豚骨面方便面单包装107g怎么样

保卫萝卜3瓶子炮塔实验 瓶子炮塔属性详解

肋骨在哪里(人体肋骨在哪里)

>>邓紫棋 来自天堂的魔鬼 无限延音编配