或非门-电路图-电子产品世界

高清图片下载 免费 安全无风险
或非门-电路图-电子产品世界

或非门-电路图-电子产品世界

点击图片查看原图

图片信息

  • 格式: JPG
  • 尺寸: 645x489
  • 大小: 约1.2MB

版权声明

相关标签

自然风光 高清壁纸 4K画质

分享图片

相关推荐

基于当前图片的相似推荐

与门电路或门电路非门电路复合逻辑门电路逻辑门电路原理

利用与非门组成的一些门电路

eechina首页 69 新手园地 69 电路 > 晶体管或非门 关键词

与非门组合电路中输入两个高平时输出3v而不是5v为什么?

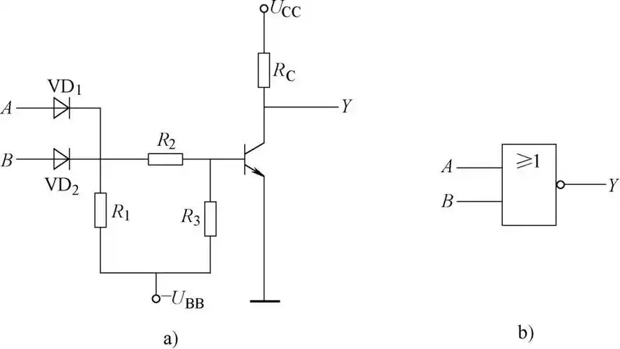
图1-17 或非门电路及其逻辑符号

二极管与,或门,三极管非门电路原理

与门电路或门电路非门电路

与非门实现或非逻辑电路原理图

随机推荐

发现更多精彩图片

电脑风景,壁纸,4k超清

bvlgari宝格丽玫瑰 満 钻金蛇手镯

画作介绍 无返回下一幅 画名:炼钢工人 画家姓名:尹健 画家级别:一

太平鸟女装强势入驻衢州万达广场全场5折起!满400减50!

头像图片简笔画步骤可爱的小猪猪简笔画教程小猪简笔画头像图片可爱

夜色-完整版-邓丽君双手简谱预览1-钢琴谱文件(五线谱,双手简谱,数字

展开全部 萨克斯名曲《回家》

卖衣服怎样找货源茜可可20年冬装新款女式风衣外套

厦门市思明区500寻找黑狸花猫

错过你,就是错过了人生【精美图文欣赏】

儿童舞台妆动物妆小兔子妆容 儿童舞台妆小兔子