逆变器制作步骤详解

高清图片下载 免费 安全无风险
逆变器制作步骤详解

逆变器制作步骤详解

点击图片查看原图

图片信息

  • 格式: JPG
  • 尺寸: 600x428
  • 大小: 约1.2MB

版权声明

相关标签

自然风光 高清壁纸 4K画质

分享图片

相关推荐

基于当前图片的相似推荐

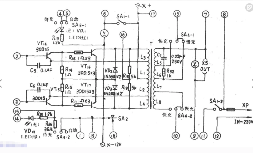
上面就是自制5000w家用逆变器电路板和图线.

铜线白金机头老式手工逆变器大功率12v电源转换器5000w升压机白金

自制5000w逆变器变压器自制5000w正弦波逆变器电路图

制作5000w正弦波逆变器简单的-vlog视频-搜狐视频

贝尔特24v5000瓦足功率车载电源逆变器峰值功率10000瓦修正正玄波

纯手工制作迷你逆变器全图解电子发烧友网

图解手工制作的逆变器

12 v 至 120 v 60 hz 5000 w 单相逆变器

1000w正正弦波逆变器制作详解图解

逆变器电路原理图与制作资料大全

随机推荐

发现更多精彩图片

原创沈腾谁年轻时还不是个帅哥了军艺校草沈腾还得是他

高圆圆带女儿吃麻辣烫,照片高糊,女儿长相竟似赵又廷?

盘点世界上最可爱最闪耀的18只鸟原来大自然是如此神奇

卡通动漫情侣头像一左一右超甜超可爱的动漫情侣头像

小鸡要来斗鸡鸡,小盆友当时就不蛋定了

颂字行书写法_颂行书怎么写好看_颂书法图片_词典网

受访者供图澎湃新闻收到的网上银行电子回单显示,今年3月11日15时17分

权威发布吴中区木渎甪直两镇总体规划出炉