efi系统

高清图片下载 免费 安全无风险
efi系统

efi系统

点击图片查看原图

图片信息

  • 格式: JPG
  • 尺寸: 656x415
  • 大小: 约1.2MB

版权声明

相关标签

自然风光 高清壁纸 4K画质

分享图片

相关推荐

基于当前图片的相似推荐

scrubbingbubbles电动喷壶

先说喷壶原理,看看原理图.

新冠肺炎疫情期间某班级用于消毒的喷壶示意图如图所示闭合阀门k向下

一种可调节浓度的电动泡沫喷壶的制作方法

厂家气压式喷雾器喷水壶手动喷雾器浇花喷壶2l园艺工具

一种低压泡沫喷壶的制作方法

cn213548883u_一种新型雾化喷淋壶有效

16l电动喷雾器 电动喷雾器打药机喷雾器农用喷雾器喷壶背负式批发

一种快速简易灌水的喷水壶制造技术

随机推荐

发现更多精彩图片

言和- 堆糖,美图壁纸兴趣社区

发型 #短发 甜美学生头,适合圆脸,瓜子脸,鹅蛋脸,深受不 - 抖音

眼整形五大双眼皮类型究竟哪款才更适合你

想起了你_简谱_搜谱网

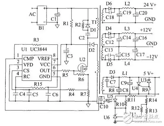
开关电源模块化设计及继电保护电路设计 —电路图天天读(247)

587海报印制海报展板素材877达成目标企业文化标语

瞻仰河北涉县左权将军墓!日寇挖出将军遗体羞辱,彭老总为他报仇

教大家画哪吒,看了就能会,手残党:我们缺的是你的手小哪吒简笔画教程

澳门第一条轻轨开通!广东人12月可免费乘坐!年底不去亏大了!