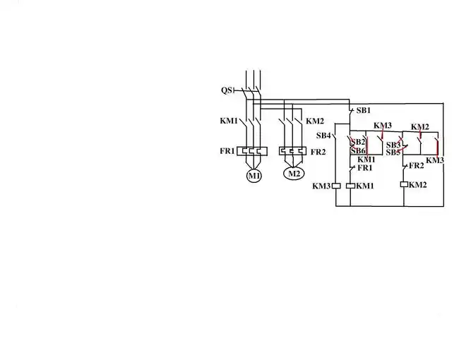
求长城电源电路图?

高清图片下载 免费 安全无风险
求长城电源电路图?

求长城电源电路图?

点击图片查看原图

图片信息

  • 格式: JPG
  • 尺寸: 1748x1310
  • 大小: 约1.2MB

版权声明

相关标签

自然风光 高清壁纸 4K画质

分享图片

相关推荐

基于当前图片的相似推荐

张电工最常见电路原理图.doc

电工实操考核中,最经典的7张电路图(高清收藏版)

中国工控 |电工实操考核中,最经典的7张电路图(高清收藏版)

电子电路图纸简介: nt-200atx开关电源ka3844b.gif

怎么看图纸(电工看不懂电路图?这26张经典电路图专业解析一定要收好)

经典高频头电路欣赏

电工,电气,电路图,电学.

随机推荐

发现更多精彩图片

马达夫妇.金泫雅金晓钟.

原创窦靖童机场又作妖,穿平底鞋裤脚都堆起来了,看身高1米5?

自创诗《偶成》 天上一弯檐角月, 奁前两道长颦眉; 未眠三更 - 抖音

各种折纸(留着以后教宝宝),有耐心的妈妈可以学学哦

中戏北电两届明星班女生们合照从女学生到女演员宋祖儿李兰迪张子枫

十大名胜航拍三维立体全景图赏

直流电灯调光器电路图

韩式料理餐饮海报背景素材

走进前海小学共研书香校园建设