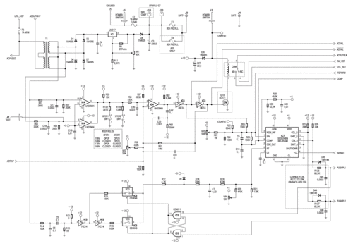
14a供电电源的电路原理图图1展示了一个使用lnk562dn离线式开关进行

高清图片下载 免费 安全无风险
14a供电电源的电路原理图图1展示了一个使用lnk562dn离线式开关进行

14a供电电源的电路原理图图1展示了一个使用lnk562dn离线式开关进行

点击图片查看原图

图片信息

  • 格式: JPG
  • 尺寸: 895x499
  • 大小: 约1.2MB

版权声明

相关标签

自然风光 高清壁纸 4K画质

分享图片

相关推荐

基于当前图片的相似推荐

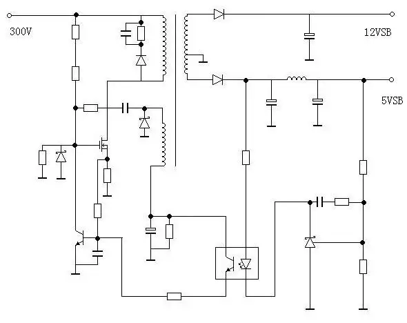
请张老先生及其它电路高手帮我分析一下这个辅助电源工作原理

dell台式机电源电路图

开关电源电路原理(附原理图)

常用的电源电路图及原理介绍

一种30w开关电源电路图

成都忠源电子揭秘30w,12v输出开关电源电路图

精密输出开关电源电路图

双输出单端反激式开关电源电路

按下边这个电路做一个buck开关电源,输出时18v,用的集成芯片lnk306

转贴戴尔笔记本电脑电源适配器电路原理浅析与维修

随机推荐

发现更多精彩图片

西游记课本剧绘画 - 抖音

双人女生闺蜜头像图片

女士短裙子连衣裙夏图片

东在健身,从背影看也超帅的

现代创意抽象几何智慧树装饰画图片素材图库大全

刘先生是土生土长的河南人,他所购买的车型是2022款 别克gl8 es陆尊

今日,演员常铖一组秋季机车服写真曝光.

辛丑条约签订的前前后后不忘国耻伟大的民族复兴必将实现

武警交通指挥部参谋长高强主持座谈会,并致欢迎辞

胎记算命哪里的胎记好哪里的坏