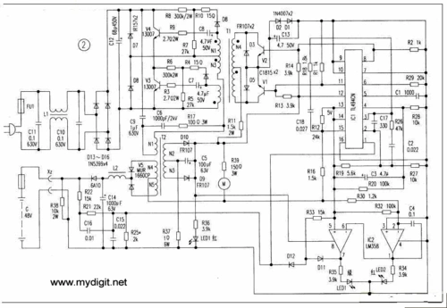
60v20安电动车充电器原理图(42v电动车充电器工作原理)(2)

高清图片下载 免费 安全无风险
60v20安电动车充电器原理图(42v电动车充电器工作原理)(2)

60v20安电动车充电器原理图(42v电动车充电器工作原理)(2)

点击图片查看原图

图片信息

  • 格式: JPG
  • 尺寸: 640x678
  • 大小: 约1.2MB

版权声明

相关标签

自然风光 高清壁纸 4K画质

分享图片

相关推荐

基于当前图片的相似推荐

电动车48v充电器原理图与维修(高清版)

一文把30张电动车充电器电路图工作原理了解的明明白白

绿源电动车充电器48v

48v电动车充电器电路图

48v电动车充电器故障

电动车充电器气线路图纸图集维修方法故障检修分析电路图原理素材

雅迪电动车充电器电路图(高标牌)

tl494制作的一款电动车充电器电路图

电动车自行车充电器电路图

48v电动车充电器电路原理图

一文把30张电动车充电器电路图工作原理了解的明明白白

随机推荐

发现更多精彩图片

秀特色作业 亮创意风采——天水郡小学二年级组手工制作展

供应pvc通讯排水管de75-de280

95后姑娘当遗体美容师 每天一个班需要化妆20到30具遗体

盘点电影中女神裙子被风吹起惊艳瞬间,直男的福利!大饱眼福!

【奇迹】出生时还不到一斤!25周双胎超低体重早产儿被成功救治

高危型hpv的持续感染是主要危险因素

入园证件照 #儿童摄影 #开学季 - 抖音

素坯绘画手工diy白泥品高半成花瓶烧坯彩素白模填色

警察怎么画又简单又好 警察怎么画又简单又好看怎样涂色