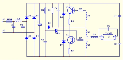
交流接触器半桥起动控制电路

高清图片下载 免费 安全无风险
交流接触器半桥起动控制电路

交流接触器半桥起动控制电路

点击图片查看原图

图片信息

  • 格式: JPG
  • 尺寸: 1000x618
  • 大小: 约1.2MB

版权声明

相关标签

自然风光 高清壁纸 4K画质

分享图片

相关推荐

基于当前图片的相似推荐

直接接220v交流电,怎样接半桥电路,就是用两个二极管实现全波整流

开关电源 #半桥式 半桥式开关电源工作原理: 市电整流变为 - 抖音

ir2109半桥驱动的同步整流电路dcdc电路设计原理图与pcb

半桥同步整流设计报告1 电源变换拓扑方案论证 方案一:(如下图)此电路

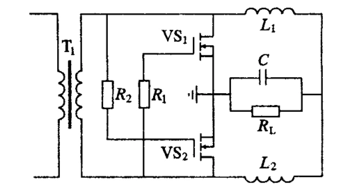
基本半桥逆变电路分析

整流桥模块的原理和功能 - 整流桥模块的原理和功能

半桥电路原理详解(单相全桥整流电路)_我的笔记

基于双sg3525的半桥同步整流电路

如果把整流电路的结构作一些调整,可以得到一种能充分利用电能的全波

半桥电路的运行原理及注意问题

随机推荐

发现更多精彩图片

手掌创意画《恐龙》简单漂亮的恐龙手掌创意画,小朋友们快来一起 - 抖

【表情包】沙雕表情包

《智取威虎山》票房过6亿 "座山雕"梁家辉卖萌

重温《楚乔传》:淳儿被士兵"玷污"的原因,是燕洵的默许

昆山下周温度"1"字开头!开启"过山车"模式.

珠宝手绘设计红珊瑚凤凰胸针

卡通简笔画可爱的白雪公主简笔画法白雪公主图画简笔画白雪公主图画简

这一刻我为我们自豪济南玉函路隧道正式通车

限地区xiaomi小米145g手机16gb512gb

摄影师在挪威徒步旅行时遇见一只极为罕见的白色的鹿宝宝, 被这美貌