求220v转5v 3v 直流稳压电源电路图

高清图片下载 免费 安全无风险
求220v转5v 3v 直流稳压电源电路图

求220v转5v 3v 直流稳压电源电路图

点击图片查看原图

图片信息

  • 格式: JPG
  • 尺寸: 450x198
  • 大小: 约1.2MB

版权声明

相关标签

自然风光 高清壁纸 4K画质

分享图片

相关推荐

基于当前图片的相似推荐

主板5v稳压,舵机电源供电,驱动12v稳压最后我们选择使用的芯片是sc

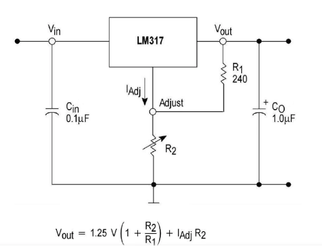
lm317可调稳压电源电路图

求220v转5v 3v 直流稳压电源电路图

双极性正负12v输出稳压电源

12v转3v稳压芯片电路简单稳压3v芯片

直流稳压电源电路原理图

硬件开发笔记(二十八):tps54331电源设计(一):5v电源供电原理图设计

可调式三端稳压器图5-71 固定式稳压电源电路图5-71是用三端式稳压器

请教高手分析一张稳压电源电路图

电子管式稳压电源电路图

随机推荐

发现更多精彩图片

20岁关晓彤全家近照母亲高贵雍容老爸帅气有才母女俩一模样

蝙蝠侠高清壁纸,高清图片,壁纸,动漫-桌面城市

像火中唯一的女性一一"腿影"黑土

玉面奇怪火点男女主演被曝同回酒店意外捧红10后小演员

资料:李连杰作品-《致命罗密欧》

明明演技不行,却被捧成"老戏骨",这10位演员,演什么都一个样

theone集体钢琴课 真正培养学生的音乐素养

宝丽婷 克霉唑阴道片 2片念珠菌性外阴阴道炎妇科炎症妇科用的药

王者荣耀西施温柔卡点

带出血的手抓住了黑色背景上的干燥花花环.

客厅适合摆放花草吗「客厅可以放什么花且摆放什么位置」

晨光本味彩色中性笔糖果色按动碳素手账笔学生标记号笔agph5603圆珠笔