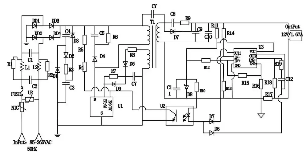
tny266p开关电源芯片应用

高清图片下载 免费 安全无风险
tny266p开关电源芯片应用

tny266p开关电源芯片应用

点击图片查看原图

图片信息

  • 格式: JPG
  • 尺寸: 850x362
  • 大小: 约1.2MB

版权声明

相关标签

自然风光 高清壁纸 4K画质

分享图片

相关推荐

基于当前图片的相似推荐

tny274-280 参数 datasheet pdf下载

tny256原理及性能分析

【tny264gn pdf数据手册】_中文资料_引脚图及功能_(power

tny277p在长虹lt26510液晶彩电中的应用电路如图4所示,其引脚功能见表

74系列芯片引脚图及逻辑功能表doc

电源管理芯片tny274pn与tny276pn能否代换

引脚兼容型号: tiy276,tiny176,tny286,pn8715.

tny268p pdf下载及第6页内容在线浏览

基于tny279的大功率led驱动电源电路设计电源技术

随机推荐

发现更多精彩图片

极简风格创意清新设计图片高清宽屏桌面壁纸

jk制服壁纸全面屏-美女壁纸 - 壁纸之家

硅胶模具滴胶材料图片

2020年成都市新津县地图全图交通行政家用办公室挂图装饰挂画定制

上面这个叫「肋骨外翻」在很多女生比较瘦之后这个问题会明显暴露出来

只要不放弃慢一点没关系

完美世界115帝冲和魔女为何压制境界没有突破神火境

漏斗形蜘蛛是澳大利亚一种毒性特强的大蜘蛛,是世界上最致命的蜘蛛之

奥格瑞玛古埃埃及神猫贝斯特bastet缩小小版青铜雕像摆件