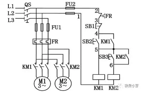
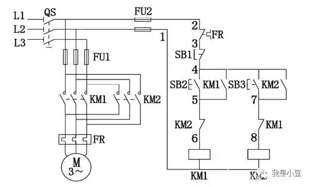
电工必懂的7张电路图,全看懂的给你点个赞!

高清图片下载 免费 安全无风险
电工必懂的7张电路图,全看懂的给你点个赞!

电工必懂的7张电路图,全看懂的给你点个赞!

点击图片查看原图

图片信息

  • 格式: JPG
  • 尺寸: 640x602
  • 大小: 约1.2MB

版权声明

相关标签

自然风光 高清壁纸 4K画质

分享图片

相关推荐

基于当前图片的相似推荐

电工必备:22个经典电路图,不会看电路图的电工不算合格电工

实例分析,如何看懂电气基本控制电路图

新手篇—轻松看懂汽车电路图(上)

谁有电机控制电路图啊

水泵自动控制电路图

电工必备:22个经典电路图,不会看电路图的电工不算合格电工

10张图带你看懂自锁电路,手把手一步步看图实物接线

8 2012-04-22 怎么样学才能把电子电路图看懂.

汽车前照灯线路图怎么看

28例电气自动控制电路图,都是干货,快收藏吧!

求学霸解答,看电路图,如果不经过零线,把风暖直接接到吹风上会怎样?

187个电路图,看完别再说看不懂电路图了!

随机推荐

发现更多精彩图片

谢贤个人资料简介(谢贤的感情生活与经历故事) - 热点 - 金融信息报

平胸妹子的心酸逆袭史7575

张靓颖晒九宫格自拍福利02皮肤光滑白皙蓝色眼线吸睛

李荣浩《麻雀》吉他谱_c调吉他弹唱谱_精编版

55折报名北海这家跆拳道馆暑假招生啦

浪子心声(许冠杰 黎彼得词 许冠杰曲)_简谱

济宁市这段大运河与南阳湖相通吗?

邓超片酬,黄渤片酬,刘德华片酬,网友:没有对比就没有伤害!