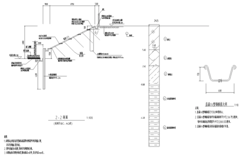
设计说明资料内容包括:全套农村自建房建筑图,剖立面图,屋面层平面图

高清图片下载 免费 安全无风险
设计说明资料内容包括:全套农村自建房建筑图,剖立面图,屋面层平面图

设计说明资料内容包括:全套农村自建房建筑图,剖立面图,屋面层平面图

点击图片查看原图

图片信息

  • 格式: JPG
  • 尺寸: 1200x723
  • 大小: 约1.2MB

版权声明

相关标签

自然风光 高清壁纸 4K画质

分享图片

相关推荐

基于当前图片的相似推荐

我家旁边有个小水塘是别人家的地基现在不搞我家地基这样泡水有影响吗

[施组][浙江]工业园区一期污水管网工程施工组织设计

基槽断面图-地基验槽记录

带你零基础学会清单之挖沟槽土方

泵站平面布置图泵室纵剖面图泵室纵剖面配筋图泵室底层平面图排涝泵站

06米.基坑南北向长40m,东西向宽35m,开挖深度5.1m.基坑平面监测图

随机推荐

发现更多精彩图片

【新人剪辑驰骋天空,极速之光!特利迦奥特曼空中型

冒充公检法网络诈骗60万,这名玉林女子投案自首了

贴贴表情包合集抱抱表情包

爬楼梯的卡通男人图片下载

盆景造型图片大全欣赏(盆景造型图片大全欣赏简单)

【王子异表情包动图】搞怪王子异pk可爱王子异

《热血江湖》披风时装介绍——传说篇(三)_攻击力_属性_生命力

沙悟净图片集合,各版荧屏形象大pk

所有双喜牌香烟价格表 双喜莲香多少钱一包?