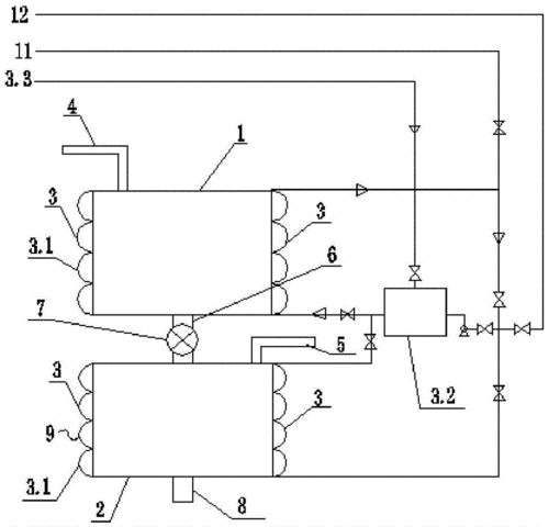
采用开关电源供电,由壶底电热管,温度探头,温控器及壶座主控电路板

高清图片下载 免费 安全无风险
采用开关电源供电,由壶底电热管,温度探头,温控器及壶座主控电路板

采用开关电源供电,由壶底电热管,温度探头,温控器及壶座主控电路板

点击图片查看原图

图片信息

  • 格式: JPG
  • 尺寸: 4408x2996
  • 大小: 约1.2MB

版权声明

相关标签

自然风光 高清壁纸 4K画质

分享图片

相关推荐

基于当前图片的相似推荐

电热水壶内部电路原理图及故障维修方法

荣事达yshe12l养生壶不加热故障检修

茶之友c107型电热水壶电路工作原理

小熊煎药壶控制板线路板jyh-a30a1 jyh-b40q1电源板操作板按键板

荣事达tc10135陶瓷式电热水壶电路原理分折

电热水壶典型电路图

var 1是一只压敏电阻,在输入电压过高时击穿,使f1烧断,保护后面电路.

电热水壶内部电路原理图及故障维修方法

典型电热水壶电路的识图分析过程

中药煎药方法及中药煎药装置及其集成系统与流程

随机推荐

发现更多精彩图片

孙艺珍唯美靓丽写真,这颜值担当,谁能不喜欢

驴鞭驴鞭图片驴鞭的功效与作用

三只狗坐在椅子上 壁纸

仙气飘飘的动漫闺蜜头像愿你此生尽兴②

开水白菜和麻婆豆腐,谁才是经典川菜?

娜娜诱惑广场舞来了注意有点毒了

小楷诏书:雍正帝的下诣诏书

手工 | 几款实用小动物折纸

文艺课堂落日星空水彩表现技法

盖亚奥特曼也有不破坏大地的变身时刻