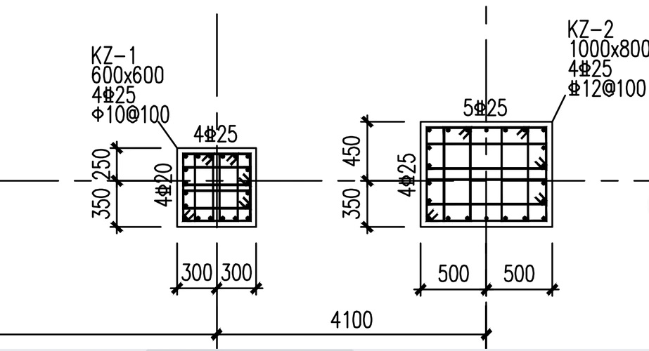
箍筋的排布应以起到约束作用为目的,而不是形式上的整齐划一.

高清图片下载 免费 安全无风险
箍筋的排布应以起到约束作用为目的,而不是形式上的整齐划一.

箍筋的排布应以起到约束作用为目的,而不是形式上的整齐划一.

点击图片查看原图

图片信息

  • 格式: JPG
  • 尺寸: 426x299
  • 大小: 约1.2MB

版权声明

相关标签

自然风光 高清壁纸 4K画质

分享图片

相关推荐

基于当前图片的相似推荐

(3)柱箍筋肢数按下列图形确定

梁式配筋承台的箍筋

顾名思义,里面的箍筋就是内箍筋,其中箍筋4是单肢箍,单肢箍筋也是内

箍筋肢数读法-服务新干线答疑解惑

钢筋箍筋肢箍怎么看,大箍筋套小箍筋布置方法

箍筋 200mm 200mm 非加密区箍筋: Φ6@200mm

框架柱多肢箍筋计算6*6,8*8,10*10公式

箍筋是什么何作用如何快速区分复合箍筋的肢数这次明白了

浅析箍筋肢数如何看

随机推荐

发现更多精彩图片

正能量人生哲理文字手机壁纸

抖音图文来了 #灵魂画手 #q版婚纱照 #情侣头像 - 抖音

急切!一张图教你区别湿疹和痱子"助你好孕"-第2张图片-影驰网

张孝祥《念奴娇·过洞庭》大图_雅德馨香画廊_画廊主页_雅昌艺术网

【走进油麻菜地】南山隐修人(十七)山雨常清静_师父

两年前的武汉 - 美篇

大莲 演员 王昌娥 胡家窝棚农户王英的女儿,燕双鹰失忆后流浪到

玛莎拉蒂汽车图片头像_微信头像图片大全

谢谢日本女星长滨祢留穿我们的asymmetric tuck rib knit dress