反转小镇怪诞小镇mabel

高清图片下载 免费 安全无风险
反转小镇怪诞小镇mabel

反转小镇怪诞小镇mabel

点击图片查看原图

图片信息

  • 格式: JPG
  • 尺寸: 510x782
  • 大小: 约1.2MB

版权声明

相关标签

自然风光 高清壁纸 4K画质

分享图片

相关推荐

基于当前图片的相似推荐

怪诞小镇-反转小镇-温蒂

怪诞小镇-反转小镇-反转双子

怪诞小镇反转小镇反转双子will

怪诞小镇反转人设侵删

怪诞小镇-反转小镇-反转双子

com采集1瓶邪我本命采集到反转小镇bill瓶邪我本命采集到#怪诞小镇#无

怪诞小镇-反转小镇-反转双子

发布到 反转 图片评论 0条 收集 点赞 评论 #怪诞小镇#无授权

雩尹关注打开新页热度(14)评论(1)推荐怪诞小镇反转小镇dipper pines

随机推荐

发现更多精彩图片

贾丽莉图片_百度百科

教师节向日葵小花束3支向日葵小花束

交通警察手势信号及含义

很庆幸,在这个年纪遇到了你#机车壁纸 #机车摄影

上颌第二磨牙根管解剖形态特点及病例分享

20年12月21日22日,南昌市中级人民法院公开审理此案.

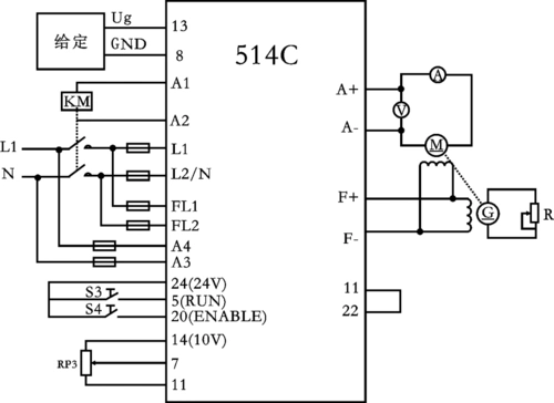
第六 节 欧陆514c型直流调速控制系统

陈纪言:加入医生集团是大势所趋

孕妇被做实验 "马路大"活体解剖苏联女子(2)

18岁男生的丁丁还能再发育吗? - 知乎

保险公司十排名安顺高考应届生班收费标准人气兼具榜单一览