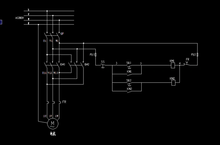
请教各位电工,机电,电子懂线路图图的给我画线路图,最好要详细点,先

高清图片下载 免费 安全无风险
请教各位电工,机电,电子懂线路图图的给我画线路图,最好要详细点,先

请教各位电工,机电,电子懂线路图图的给我画线路图,最好要详细点,先

点击图片查看原图

图片信息

  • 格式: JPG
  • 尺寸: 640x480
  • 大小: 约1.2MB

版权声明

相关标签

自然风光 高清壁纸 4K画质

分享图片

相关推荐

基于当前图片的相似推荐

农用拖拉机改装电启动 发动机是怎么接电的 有知道帮助一下,请赐教

小型农用拖拉机电启动线路图

跪求拖拉机电启动线路图 蓄电池 起动机 (3.

拖拉机电路求接法 发电机是一根线的 电流表是2个接线柱 钥匙门是3个

韦 肇,宋吉鸿 1 出现的问题 传统的拖拉机启动电路( 见图 1) ,没有电

johndeer一484拖拉机起动系故障分析与排除

远程拖拉机控制系统的制作方法

拖拉机电器仪表系统

随机推荐

发现更多精彩图片

宋亚轩高清手机壁纸小时候的宋亚轩简直就是个奶团子小漂亮

现实中信号枪长什么样这种枪真的能召唤空投吗

20寸和24寸的行李箱大小对比

集中电源系统消防应急照明和疏散指示系统根据消防应急灯具蓄电池电源

食物语臭鳜鱼怎么样臭鳜鱼技能属性详解视频多图

xy車贴 个性创意反光车贴纸 提示文字远光灯车贴请关上您的远光灯

每个男人的梦想 兰博基尼aventador s!900万豪华跑车这才是生活!

一身女强人气场的职场穿搭,笑容甜美又自信,举手投足都相当干练,这样

盘古开天并非虚构科学家找到盘古开天的证据真相颠覆认知

御宅手办freeingbstyle我的女神乌璐bunny正版预售手办

涵青,天泉,放眼-你猜哪里是拙政园中最适合谈恋爱的地方?