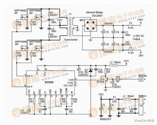
求双线并绕整流电路.双12v.如图可以吗?

高清图片下载 免费 安全无风险
求双线并绕整流电路.双12v.如图可以吗?

求双线并绕整流电路.双12v.如图可以吗?

点击图片查看原图

图片信息

  • 格式: JPG
  • 尺寸: 512x384
  • 大小: 约1.2MB

版权声明

相关标签

自然风光 高清壁纸 4K画质

分享图片

相关推荐

基于当前图片的相似推荐

所有分类 工程科技 信息与通信 双极性正负12v输出稳压电源 这个电路

通过电源变压器变压之后,再整流,滤波,然后给功放块供电

top221p构成的5v12v双路输出4w反激式开关稳压电源电路

我做了一个双电源电路,想请大伙给出出主意,看是否可行!

变压器输出的两根线怎么改双电源?

各种变压器组成的双电源-555自动控制电路图-电子产品世界

求助高手,直流双电源静态转换开关电路图,双电源都是直流12伏,主电

随机推荐

发现更多精彩图片

第一季决战,恐怖的高桥凉介 #头文字d #充能计划 #我在抖音看动

著名老书法家卢定山28首行书唐诗绝句欣赏现代行书的巅峰

校运会海报设计#原创手绘 #画了个画 #画中有话 - 抖音

jimin 朴智旻 bts 防弹少年团 20181128 aaa

风力发电:还未来一片蓝色

女童内衣冰丝女孩少女文胸女学生青春发育期9-14岁小背心儿童抹胸

手提式七氟丙烷气体灭火器

青春活力的华为nova 5将在6月21日发布,颜值配置有哪些变化?

狗b ≥大学没有侮辱狗的意思(熊猫头怼人表情包)

佛像结缘神传二十四种香谱密示吉凶画像烧香图解香火图挂画图塑