[分享]双电源调试怎么计算?资料免费下载

高清图片下载 免费 安全无风险
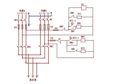
[分享]双电源调试怎么计算?资料免费下载

[分享]双电源调试怎么计算?资料免费下载

点击图片查看原图

图片信息

  • 格式: JPG
  • 尺寸: 560x352
  • 大小: 约1.2MB

版权声明

相关标签

自然风光 高清壁纸 4K画质

分享图片

相关推荐

基于当前图片的相似推荐

双电源供电时的接线图

三相双电源自投控制原理图

双电源怎么接线双电源供电电路图

三相双电源自投控制原理图

双电源自动切换装置主回路接线示意图

ups双机并联配电柜接线图

双电源怎么接线?双电源供电电路图

380v不断电双电源3p32a63a80a100a双电源自动切换开关导轨式

不断电双电源接线图4p_01(1)

随机推荐

发现更多精彩图片

唯美蓝色梦幻麋鹿海报背景psd

二次元新鲜事#可爱的简笔画

cf9周年活动荣耀礼包奖励内容 cf9周年活动地址

刘备和大乔被困雪山就相拥取暖可黄忠却突然进来了结果

冰冷的面容下,蕴含着炙热的情感#宇智波带土

盐城东台碧桂园·新都荟实景图6- 吉屋网

原创新手养鱼选择鱼缸时应考虑什么

2014新款漆皮蛇纹欧美鱼嘴鞋浅口女鞋超高跟细跟

来自云南澄江古生物化石的"远古呼唤"

惠东观音山云海和风车