电机铭牌y,△星三角接法

高清图片下载 免费 安全无风险
电机铭牌y,△星三角接法

电机铭牌y,△星三角接法

点击图片查看原图

图片信息

  • 格式: JPG
  • 尺寸: 1240x1753
  • 大小: 约1.2MB

版权声明

相关标签

自然风光 高清壁纸 4K画质

分享图片

相关推荐

基于当前图片的相似推荐

三相交流电动机y形和△形接线方法电路图

异步电动机y/△降压起动控制电路缺点:电机功率减小,小功率电机4kw

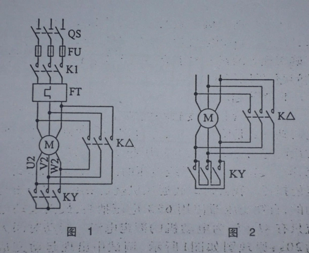
图1 三相交流电动机y形和△形接线方法

三相电机△接法y接法

电机星,三角型接电,罗茨风机接电问题汇总

问答列表 采纳答案 三相电机接法注意区分 y/△ 和 y

y-△降压起动中星点接触器的另一种可靠接法

电机有几种接法 电机有两种接法:三角形接法,星形接法.

三相交流电动机y△减压起动控制电路中的plc梯形图和语句表

三相异步电动机y/△减压启动控制

一边绕组接去主电路就可以了而y/△减压启动电路是怎么实现电机的连线

三相异步电动机正反转接线动画展示

随机推荐

发现更多精彩图片

呼叫呼叫,有对象的请退群表情包 - 日常表情包

成熟的男人头像稳重 适合男人的头像内涵霸气(2)

周杰伦明朗可爱快乐无边

达克效应造成谜之自信的认知偏差

形容心情不好,运气差的句子

王琪这几天火了送亲凄美动听没有故事的人写不出这样的歌

nba 2k17库里的队伍队徽

这段时间,反反复复的过敏,一直不断的吃药打针,这让我不禁想起了爸爸

而这些"大胖子"的功率可以达到3000~8000多千瓦,10千伏!