红色花朵款裙子装s广场舞服装爵士舞服装现代舞蹈演出装女2020亮片

高清图片下载 免费 安全无风险
红色花朵款裙子装s广场舞服装爵士舞服装现代舞蹈演出装女2020亮片

红色花朵款裙子装s广场舞服装爵士舞服装现代舞蹈演出装女2020亮片

点击图片查看原图

图片信息

  • 格式: JPG
  • 尺寸: 800x1200
  • 大小: 约1.2MB

版权声明

相关标签

自然风光 高清壁纸 4K画质

分享图片

相关推荐

基于当前图片的相似推荐

2020新款拉丁舞服装女成人南韩绒流苏舞蹈表演性感网纱拼接连衣裙

2020开场舞大摆裙古典舞蹈服装成人女大合唱服长裙古筝礼服演出服

2020新款拉丁舞服装女成人南韩绒流苏舞蹈表演性感网纱拼接连衣裙

新款灯火表演舞台中国舞中国盛开夏辉同演出服大摆民族服装

新款飘逸摆渡纯色现代舞演出服舞蹈古典舞

新款2020新款秧歌服演出服女成人中老年民族舞伞舞服装广场舞套

古典舞演出服女落花民族广场舞扇子舞蹈服装现秧歌2020新款套装2020 a

2020新款拉丁舞服装女成人南韩绒流苏舞蹈表演性感网纱拼接连衣裙

服装长袖上衣形体舞蹈练功服白色跳舞衣服女f4 白色 s

古典舞演出服女2020新款飘逸中国风现代伞舞开场舞大摆裙舞蹈服装

2020春秋新款广场舞服装青花瓷古典扇子舞秧歌舞蹈表演演出舞衣女

红色花朵款裙子装s广场舞服装爵士舞服装现代舞蹈演出装女2020亮片

随机推荐

发现更多精彩图片

中国风齐胸襦裙刺绣唯美古装汉服成人女复古汉服女装两件套连衣裙

q版二次元古风花仙子

渐变紫色系背景素材免费下载_觅元素

怀孕周!生孩子怎么生"专业正规"-第2张图片-竭诚网

白天广州塔屹立在珠江边高矗入云间

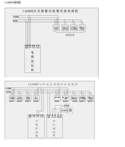
厂家直销安吉斯ca6800气体灭火控制器 气体检测消防报警主机

幼儿园我的五官认知表情素材.#环创素材 #幼师必备 我的五官 - 抖音

容祖儿央视唱过夏天演唱会倾情献唱收获一致好评

被遗忘的石家庄cbd你还记得几个看到这个我撒腿就跑

3d荷花玄关背景墙图片

日落黄昏都不如你的温柔