速写站姿

高清图片下载 免费 安全无风险
速写站姿

速写站姿

点击图片查看原图

图片信息

  • 格式: JPG
  • 尺寸: 1200x1707
  • 大小: 约1.2MB

版权声明

相关标签

自然风光 高清壁纸 4K画质

分享图片

相关推荐

基于当前图片的相似推荐

速写人物写生站立人物

第十步,检查画面的比例透视,拍照留恋,一副简单的人物速写就完成啦

深入刻画,学到就是赚到#速写60天挑战赛 #美术生的日常 #速写人物

人物速写单人站姿练习

0052期——站姿比例动态示范_速写视频教学_零二七艺考

速写人物站姿 速写人物站姿简单

速写人物 #速写教学 #速写 单人站姿来几张

优秀站姿速写范例集合,多图无流量慎入

如何画站姿人物速写?

随机推荐

发现更多精彩图片

孙怡的一组美照曝光她身穿深v鎏金裙勾勒完美身材腰肢纤细皮肤白嫩在

舌尖上的美味,正宗面筋卷饼升级版推出.今日加工新鲜面筋18份 - 抖音

鳜鱼又叫桂鱼,为底层鱼,在江河湖泊中有广泛分布,喜欢待在静水中和有

女童晚礼服花童裙子蓬蓬裙走秀公主裙儿童新款婚纱时尚洋气中长裙

排球运动动作卡通图形—正版高清下载,购买_视觉中国图片素材中心

江苏启东"10.8"车祸遇难者戴丹丹

合金弹头像素画网格画图案欣赏

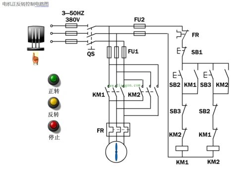
电机正反转的控制问题

2020新款貂皮大衣短款女天鹅绒水貂皮草狐狸毛领显瘦整貂裘皮外套

lemmaid="26577">《high school d×d》中的角色