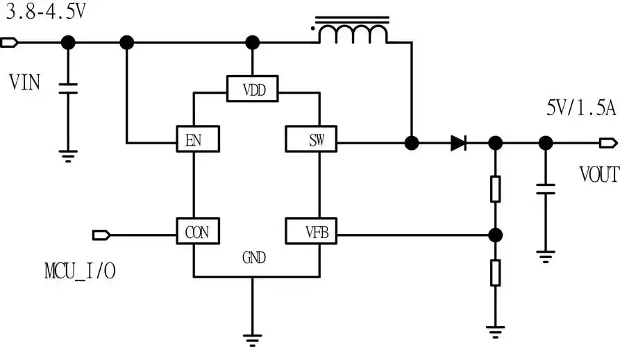
这样一个升压电路~~~dc转dc~~~怎么升不了压的,是想18v升到48v的

高清图片下载 免费 安全无风险
这样一个升压电路~~~dc转dc~~~怎么升不了压的,是想18v升到48v的

这样一个升压电路~~~dc转dc~~~怎么升不了压的,是想18v升到48v的

点击图片查看原图

图片信息

  • 格式: JPG
  • 尺寸: 1368x653
  • 大小: 约1.2MB

版权声明

相关标签

自然风光 高清壁纸 4K画质

分享图片

相关推荐

基于当前图片的相似推荐

基于芯鼎盛tx4208设计的dcdc开关升压恒压芯片dc开关电源demo说明

基于焦耳小偷电路的简单dcdc升压稳压电源

dcdc升降压我们需要怎么样的拓扑

cn102742135a_升降压dc-dc转换器以及开关控制电路有效

dc-dc 升压电路工作原理(案例 图文)#硬件工程师 #电 - 抖音

5v )升压9v电路,这个是万用表常用的改造电路,自己更改下稳压管,电阻

求一个双场管升降压电路的电路图?

dc-dc升压电路原理与应用

随机推荐

发现更多精彩图片

油画风格的ipad电脑壁纸太好看了

2021年煽情的伤感说说,戳心入骨,心碎了一地

入户门门槛石怎么选

最新网络游戏排行榜前十位,lol依然稳居第一

卫星地图多久更新一次2020卫星地图高清能看见人

fx银色参天眼药水12ml

麻将机主控芯片驱动集成电路io端口扩展和复用电路的制作方法

健身广场.器材齐全,早晚健身好去处.

农村神秘的"鸡冠蛇",各地都有关于它的传说,但没人真正见过