片片枫叶红,冰城入深秋

高清图片下载 免费 安全无风险
片片枫叶红,冰城入深秋

片片枫叶红,冰城入深秋

点击图片查看原图

图片信息

  • 格式: JPG
  • 尺寸: 1922x2536
  • 大小: 约1.2MB

版权声明

相关标签

自然风光 高清壁纸 4K画质

分享图片

相关推荐

基于当前图片的相似推荐

留住美丽秋天#——枫叶正当时

火红色的枫叶,高清桌面,手机锁屏图片-壁纸族

代表思念的美丽枫叶唯美图片手机壁纸

枫叶已经成为了本溪一张火红的明片,秋霜之后,老边沟的枫叶由绿转黄

枫叶随风舞动,如火焰般炽热,飘落的叶片,宛如秋天的使者,传递着浓烈的

壁纸缓缓飘落的枫叶像思念676767

枫叶红游人醉醉白池的枫景这边独好

冬枫叶 - 堆糖,美图壁纸兴趣社区

iphone 壁纸 黄枫叶,枝枝,树,秋

随机推荐

发现更多精彩图片

已经买了国产车的车主们,你们下一辆车还买不买国产车

韩国女生的穿搭,简约之中透露出令人眼前一亮的魅力.

瑞典地图英文超高清大图

《文森佐》第3集预告片透露了哪些关键信息?

儿童卡通窗户简笔画画法 简单又漂亮窗户简笔画怎么画

穿防护服医生儿童画怎么画 简单医生简穿防护服简笔画步骤

老银川酒52度窖藏 整箱六瓶装600一箱包邮

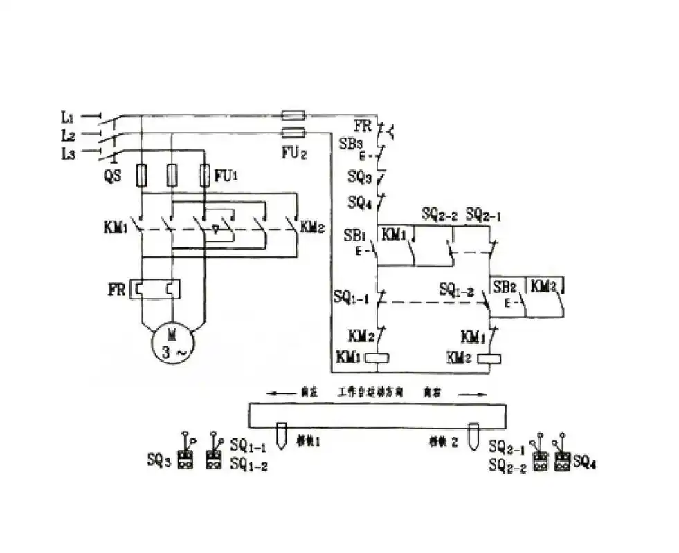
有些生产机械,如万能铣床,要求工作台在一定范围内能自动往返运动

西安冰花芙蓉玉手手镯复古条款手镯

身在梦境布染凡尘台儿庄古城胡家大院扎染