无名的人(简谱) ——毛不易

高清图片下载 免费 安全无风险
无名的人(简谱)     ——毛不易

无名的人(简谱) ——毛不易

点击图片查看原图

图片信息

  • 格式: JPG
  • 尺寸: 2400x3394
  • 大小: 约1.2MB

版权声明

相关标签

自然风光 高清壁纸 4K画质

分享图片

相关推荐

基于当前图片的相似推荐

毛不易《甘心替代你》简谱和弦 功能谱 流行弹唱网

甘心替代你-c调简单版-中国医生插曲双手简谱预览1

简谱郑伊健ekincheng甘心替代你电影古惑仔插曲附和弦歌词

毛不易甘心替代你吉他谱

甘心替代你 ( c调原版编配) 毛不易 歌谱简谱网

毛不易《甘心替代你》吉他谱c调六线吉他谱-虫虫吉他谱免费下载

不染电视剧《香蜜沉沉烬如霜》主题曲 毛不易 歌谱简谱网

甘心替代你吉他谱1-郑伊健-c调指法

毛不易《甘心替代你(原版c调弹唱高清图片)》吉他谱

毛不易甘心替代你吉他谱c调吉他弹唱谱

甘心替代你吉他谱(图片谱,原版,何奔洋,弹唱)_毛不易(王维家)

随机推荐

发现更多精彩图片

靳东王鸥刘奕君 (来自:腾讯娱乐)

ins风女生狼尾发型 时尚艳压身边的男生_2023年流行发型 - 美发站

一键动漫#《拳皇》之蔡宝健的故事

苏里南南美洲说荷兰语的国家

甄嬛/莞嫔/熹贵妃/钮祜禄·甄嬛

高效备孕!胎儿入盆图"千山万水"-第1张图片-天成博客

将苍蝇放大100万倍后会看见什么?_哔哩哔哩_bilibili

胆道感染;4.肠道感染;5.皮肤软组织感染;6.眼 ,耳,鼻,口腔感染. 1

造出了"冰状雪",这位其貌不扬,普普通通的中国老头,最后,是下面图中的

德龙eo3850.a电烤箱说明书

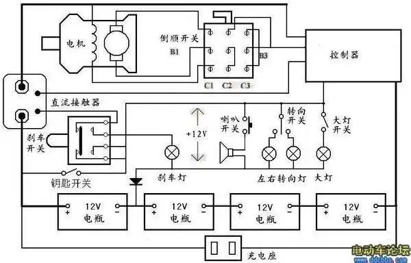
电动三轮电路图详解?

斐乐(fila)火星二代男士跑步鞋夏季透气轻便减震软底休闲运动鞋男鞋