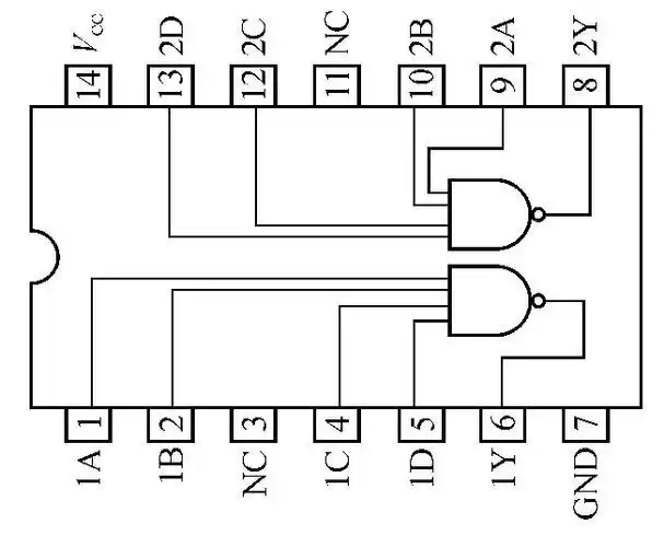
74ls283缺口用来表示1管脚的位置(1管脚位于缺口的下方)这是一种比较

高清图片下载 免费 安全无风险
74ls283缺口用来表示1管脚的位置(1管脚位于缺口的下方)这是一种比较

74ls283缺口用来表示1管脚的位置(1管脚位于缺口的下方)这是一种比较

点击图片查看原图

图片信息

  • 格式: JPG
  • 尺寸: 364x320
  • 大小: 约1.2MB

版权声明

相关标签

自然风光 高清壁纸 4K画质

分享图片

相关推荐

基于当前图片的相似推荐

74系列数字电路7428374ls283等4位二进制全加器带超前进位

74ls83 pdf下载及第1页内容在线浏览

dm74ls83an pdf下载及第2页内容在线浏览

文档下载 所有分类 高等教育 工学 > 实验四 加法器74ls283(四位加法

74ls系列集成块管脚图大全之二ppt

数电实验芯片引脚图ppt

码的转换电路用74283构成8位加法器超前位进位加法器 74ls283缺点:慢

随机推荐

发现更多精彩图片

【植草砖停车场铺装剖面】_露天植草砖停车位的施工方案透水砖解决

刘诗诗的早期老照片果然真正的美女不会整容

令人震惊的"衡水体"答题卡,看完我就自闭了!转给孩子!

qq男生动漫头像_卡通动漫头像_我要个性网

小星星钢琴谱-c调-虫虫乐谱

蝴蝶儿童画图片 蝴蝶儿童画图片大全

松鼠犬 – snowy 之 户外狗狗摄影写真 {山顶公园}

中国首创 全球首款海陆空三栖飞行汽车即将亮相珠海

中国历史上9个大一统的帝国疆域看到第7个想打人

头像 #头像分享 #女生头像 #狐妖小红娘 #涂山红红 #涂山苏苏

琉璃千年之恋璇玑视角每一息热烈都是伏线刻情字深浅