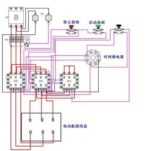
电机的星三角降压启动实物接线图怎么画?

高清图片下载 免费 安全无风险
电机的星三角降压启动实物接线图怎么画?

电机的星三角降压启动实物接线图怎么画?

点击图片查看原图

图片信息

  • 格式: JPG
  • 尺寸: 1018x1330
  • 大小: 约1.2MB

版权声明

相关标签

自然风光 高清壁纸 4K画质

分享图片

相关推荐

基于当前图片的相似推荐

星三角降压启动实物接线图! 星三角降压启动实物接线图!

星角启动星接正传角接反转 接触器触头接法1-1 2-2 3-3 黄绿红 六根线

求cjx2星三角实物接线图带热继380v

星三角降压启动电路接线 星三角降压启动电路接线

分享星三角降压启动电路图与实物接线图.sb2与km1自锁,k - 抖音

星三角启动实物图接线说明一下

电工知识:星三角电路怎么接线?表哥分享2张实物图供大家参考

20.星三角降压启动接线图19.中间继电器接线方法18.

我上传一张星三角降压启动实物电气接线图(带时间继电器tr)

从控制柜出来6根线(星三角已接好)进三相电机怎么接,需要把接线盒内的

电工星三角降压启动接线你学会了吗

随机推荐

发现更多精彩图片

坠子戏是流传于平山县苏家庄乡树石村一带的独具特色稀有地方戏曲剧种

陈宝国在拍电视剧《大宅门》时,为何每天要服用安眠药入睡?

教你在ug1847软件中装配时该如何解决部件干涉?

姚琛来了 #姚琛 #女友视角

原创金星是地球的双胞胎行星距离更近那为什么不探索金星

出租车图片_出租车高清图片_全景视觉

彩铅手绘过程图.霹雳马彩铅,获多福细纹水彩纸,画完就一个感觉 - 抖音

张译拒与网红合影被骂陈志朋被曝偷税陈妍希晒潘玮柏婚礼照片

趣味拼音连线31页可打印

鹿家门-陈小龙的主页-快手直播